高精度、ライト&コンパクト
■超小形スリッピングクラッチ&ブレーキ
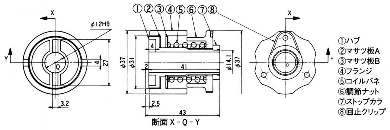
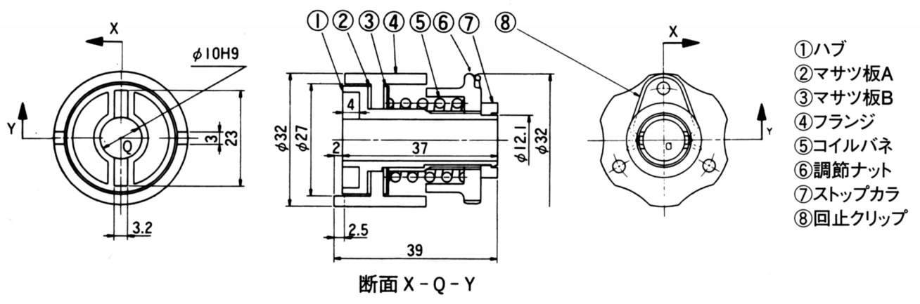
・ミニキーパーはエンプラ、ファインケミカルを使用した超小形スリッピングクラッチ&ブレーキです。
・エンプラ材を全面採用することにより、超軽量・コンパクト化を実現しました。
・摩擦面にファインケミカルを採用。長寿命で安定したスリップトルク、正確なトルク再現性を実現しました。
・見やすいトルク目盛りにより、容易にトルク設定が行えます。
・OA機器、精密機械などのブレーキング、アキューム、ドラッギング用にご使用ください。

