・コンパクトで、高いトルク容量をもっています。
・空転時の耐摩耗性が優れています。
・中・低速オーバランニングに適しています。
椿本チエイン
カムクラッチ MGシリーズ
詳細仕様
10件の型式
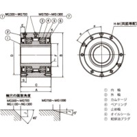
| 型式 | 軸穴(mm) |
内輪幅 A (mm) |
外輪幅 C (mm) |
外径 Bh7 (mm) |
面取 K (mm) |
内輪ボス径 F (mm) |
取付タップ(mm) |
給油プラグ位置 E (mm) |
給油穴径 ×ピッチ |
許容最大 トルク (N・m) |
最高空転回転速度(r/min) | 使用ベアリング |
空転摩擦 トルク (N・m) |
油量 (L) |
質量 (kg) |
||||||
|---|---|---|---|---|---|---|---|---|---|---|---|---|---|---|---|---|---|---|---|---|---|
| 径 H7 | キー溝 | 面取り J | PCD D | 有効ネジ長さ S | サイズ H-M | 内輪 | 外輪 | 基本動 定格荷重 Cr(N) | 基本静 定格荷重 C0r(N) | ||||||||||||
| MG300 | 19 | 5×2 | 0.8 | 63 | 60 | 77 | 1.3 | 28.5 | 66 | 13 | 4-M6×1.0 | 10.4 | M6×1.0 | 314 | 2800 | 900 | 8670 | 5930 | 0.23 | 0.025 | 1.8 |
| MG400 | 22 | 5×2 | 1.0 | 70 | 67 | 88 | 1.6 | 31.7 | 73 | 16 | 4-M8×1.25 | 10.7 | M6×1.0 | 539 | 2600 | 800 | 9070 | 6420 | 0.29 | 0.03 | 2.7 |
| MG500 | 31.5 | 7×3 | 1.3 | 89 | 86 | 108 | 1.6 | 44.4 | 92 | 16 | 4-M8×1.25 | 12.3 | M6×1.0 | 1620 | 2400 | 800 | 13430 | 10000 | 0.51 | 0.05 | 5.0 |
| MG600 | 50 | 12×3.5 | 1.6 | 95 | 92 | 136 | 1.6 | 69.8 | 120 | 16 | 6-M8×1.25 | 12.8 | M6×1.0 | 3140 | 2100 | 700 | 20680 | 17740 | 0.85 | 0.08 | 8.6 |
| MG700 | 70 | 18×6 | 1.8 | 127 | 124 | 180 | 1.6 | 101.5 | 160 | 20 | 6-M10×1.5 | 19.8 | M6×1.0 | 5880 | 1500 | 500 | 28520 | 27240 | 1.70 | 0.14 | 19.5 |
| MG750 | 85 | 24×6 | 0.6 | 153 | 150 | 200 | 1.5 | 110 | 175 | 25 | 8-M14×2.0 | 75 | M8×1.25 | 9500 | 1800 | 600 | 47900 | 47800 | 3.43 | 0.4 | 37.0 |
| MG800 | 110 | 28×7 | 1.0 | 158 | 155 | 250 | 1.5 | 140 | 220 | 25 | 8-M16×2.0 | 77.5 | M8×1.25 | 17600 | 1300 | 475 | 71300 | 74800 | 5.39 | 0.5 | 46.5 |
| MG1100 | 185 | 45×14 | 3.0 | 260 | 250 | 470 | 3.0 | 260 | 415 | 40 | 12-M20×2.5 | 125 | M12×1.75 | 78400 | 350 | - | 213000 | 263000 | 15.00 | 2.9 | 250 |
| MG1200 | 200 | 45×14 | 3.0 | 260 | 250 | 500 | 3.0 | 280 | 440 | 45 | 12-M24×3.0 | 125 | M12×1.75 | 95100 | 300 | - | 219000 | 283000 | 17.64 | 3.0 | 280 |
| MG1300 | 250 | 56×17.5 | 3.0 | 280 | 260 | 600 | 3.0 | 340 | 530 | 50 | 12-M30×3.5 | 130 | M12×1.75 | 176000 | 250 | - | 282000 | 407000 | 18.72 | 3.8 | 410 |
・連続空転の場合は一般的には、「最高空転回転速度」の1/3程度以下でご使用ください。
| 型式 | 商品コード | 単位 |
価格 (円) |
基準納期 | |
|---|---|---|---|---|---|
| 日伝 | メーカー | ||||
| MG300 | MG300 | P | 120,571 | - | 在庫品 |
| MG400 | MG400 | P | 139,048 | - | 在庫品 |
| MG500 | MG500 | P | 183,810 | 在庫品 | 在庫品 |
| MG600 | MG600 | P | 228,952 | 在庫品 | 在庫品 |
| MG700 | MG700 | P | 435,429 | - | 在庫品 |
| MG750 | MG750 | P | 800,000 | - | - |
| MG800 | MG800 | P | 917,333 | - | - |
| MG1100 | MG1100 | P | 3,253,524 | - | - |
| MG1200 | MG1200 | P | 5,031,048 | - | - |
| MG1300 | MG1300 | P | 6,536,952 | - | - |
この製品を見た人はこのような製品も見ています
製品についてのご質問やお困りごとなどお気軽にご相談ください!
Loading...

