ボスの外側から締結します
・設計上ボスの肉厚がとれない場合や中空軸の締結に最適です。
大きな伝達トルクが得られます
・軸径が大きくなる程大きなトルク伝達が可能です。
取付け、取外しが容易です
・ボルトを締付けることやボルトを緩めるだけで、容易に取付け・取外しができます。
シンプルな構造です
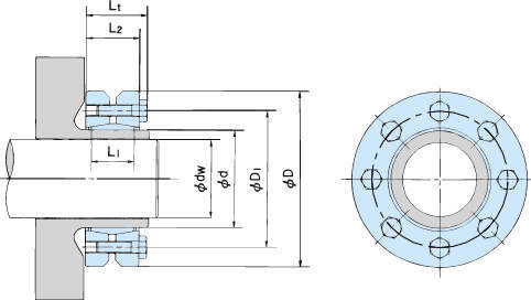
・インナリング、テーパリングA、テーパリングBの3つの部品と締付ボルトで構成されたシンプルな構造です。
共通仕様
| 仕様 | SL:標準仕様 |
|---|---|
| 適用ボス外径公差 | h7 |
| 適用ボス穴公差 | H7 |
| 適用表面粗さ | 12S以下 |
| 適用軸公差 | h6 |

