エクトフレックスカップリングとパワーロックが融合!
コンパクト
・テーパ加工された専用ハブにより、全長寸法を従来品に比べて最大37%短縮しました。
トルクアップ
・軸締結力アップにより全ての標準軸穴径でカップリングの許容トルクを満足します。
・小径領域でのトルク低下はありません。
ワイドボアアレンジ
・8品種、軸穴径708通りの組合せを標準化。
・幅広い用途で選定いただきます。
組合せ自由
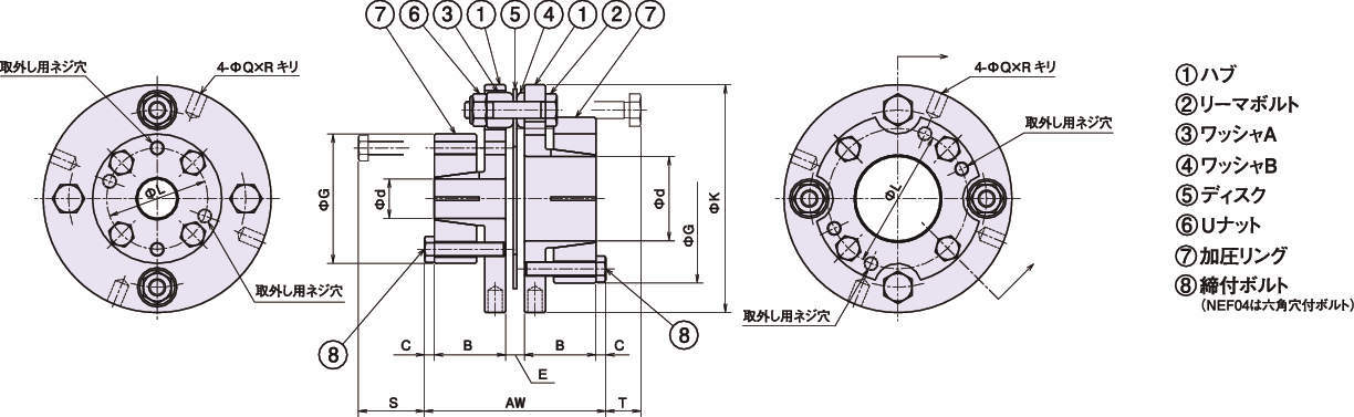
・ディスク締結部は従来品と共通ですので、キー軸穴加工ハブ、クランプハブ、ロングスペーサ等他のシリーズと組合せを自由に選べます。
・お客様での取付け・取外しも容易に行えます。
高いねじり剛性
・有限要素法に基づく最適形状のディスクは、高いねじり剛性と優れたフレキシブル性を兼ね備えています。
環境にやさしい
・従来品に比べ質量37%、慣性モーメント26%削減。
・省資源・省エネルギーを考慮したエコ商品です。
・RoHS規制に対応しており有害物質は含んでいません。

