椿本チエイン
プラローラバイピッチチェーン
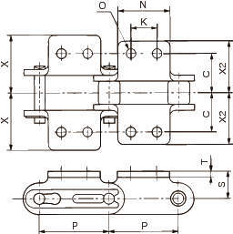
詳細仕様
88件の型式
| 型式 | タイプ |
チェーン 番号 |
ローラ 形式 |
アタッチメント |
ピッチ P (mm) |
ローラ径 R2 (mm) |
内リンク内幅 W (mm) |
プレート(mm) | ピン(mm) |
オフセットピン長 L (mm) |
アタッチメント(mm) | 質量(kg/m) | リンク数 | |||||||||||
|---|---|---|---|---|---|---|---|---|---|---|---|---|---|---|---|---|---|---|---|---|---|---|---|---|
| 形式 | 間隔 | 厚さ T | 幅 H | ピン径 D | L1 | L2 | C | K | N | O | S | X | X2 | 概略 (チェーン本体) | アタッチメント 1個当たりの付 | |||||||||
| RF2040RP-L | リンク | RF2040 | R | - | - | 25.40 | 15.88 | 7.95 | 1.5 | 12.0 | 3.97 | 8.25 | 9.95 | - | - | - | - | - | - | - | - | 0.52 | - | - |
| RF2050RP-L | リンク | RF2050 | R | - | - | 31.75 | 19.05 | 9.53 | 2.0 | 15.0 | 5.09 | 10.30 | 12.0 | - | - | - | - | - | - | - | - | 0.83 | - | - |
| RF2060RP-L | リンク | RF2060 | R | - | - | 38.10 | 22.23 | 12.70 | 3.2 | 17.2 | 5.96 | 14.55 | 16.55 | - | - | - | - | - | - | - | - | 1.48 | - | - |
| RF2080RP-L | リンク | RF2080 | R | - | - | 50.80 | 28.58 | 15.88 | 4.0 | 23.0 | 7.94 | 18.30 | 20.90 | - | - | - | - | - | - | - | - | 2.64 | - | - |
| RF2040RP-1LA2-L | リンク | RF2040 | R | A2 | 1L | 25.40 | 15.88 | 7.95 | 1.5 | 12.0 | 3.97 | 8.25 | 9.95 | - | 12.7 | 9.5 | 19.1 | 3.6 | 9.1 | 19.3 | 17.6 | 0.52 | 0.003 | - |
| RF2040RP-2LA2-L | リンク | RF2040 | R | A2 | 2L | 25.40 | 15.88 | 7.95 | 1.5 | 12.0 | 3.97 | 8.25 | 9.95 | - | 12.7 | 9.5 | 19.1 | 3.6 | 9.1 | 19.3 | 17.6 | 0.52 | 0.003 | - |
| RF2040RP-3LA2-L | リンク | RF2040 | R | A2 | 3L | 25.40 | 15.88 | 7.95 | 1.5 | 12.0 | 3.97 | 8.25 | 9.95 | - | 12.7 | 9.5 | 19.1 | 3.6 | 9.1 | 19.3 | 17.6 | 0.52 | 0.003 | - |
| RF2040RP-4LA2-L | リンク | RF2040 | R | A2 | 4L | 25.40 | 15.88 | 7.95 | 1.5 | 12.0 | 3.97 | 8.25 | 9.95 | - | 12.7 | 9.5 | 19.1 | 3.6 | 9.1 | 19.3 | 17.6 | 0.52 | 0.003 | - |
| RF2040RP-5LA2-L | リンク | RF2040 | R | A2 | 5L | 25.40 | 15.88 | 7.95 | 1.5 | 12.0 | 3.97 | 8.25 | 9.95 | - | 12.7 | 9.5 | 19.1 | 3.6 | 9.1 | 19.3 | 17.6 | 0.52 | 0.003 | - |
| RF2040RP-6LA2-L | リンク | RF2040 | R | A2 | 6L | 25.40 | 15.88 | 7.95 | 1.5 | 12.0 | 3.97 | 8.25 | 9.95 | - | 12.7 | 9.5 | 19.1 | 3.6 | 9.1 | 19.3 | 17.6 | 0.52 | 0.003 | - |
| 型式 | 商品コード | 単位 |
価格 (円) |
基準納期 | |
|---|---|---|---|---|---|
| 日伝 | メーカー | ||||
| RF2040RP-L | RF2040RP-L | L | 103 | - | 15日間 |
| RF2050RP-L | RF2050RP-L | L | 132 | - | 15日間 |
| RF2060RP-L | RF2060RP-L | L | 216 | - | 15日間 |
| RF2080RP-L | RF2080RP-L | L | 460 | - | 30日間 |
| RF2040RP-1LA2-L | RF2040RP-1LA2-L | L | 136 | - | 15日間 |
| RF2040RP-2LA2-L | RF2040RP-2LA2-L | L | 129 | - | 15日間 |
| RF2040RP-3LA2-L | RF2040RP-3LA2-L | L | 124 | - | 15日間 |
| RF2040RP-4LA2-L | RF2040RP-4LA2-L | L | 121 | - | 15日間 |
| RF2040RP-5LA2-L | RF2040RP-5LA2-L | L | 115 | - | 15日間 |
| RF2040RP-6LA2-L | RF2040RP-6LA2-L | L | 115 | - | 15日間 |
この製品を見た人はこのような製品も見ています
製品についてのご質問やお困りごとなどお気軽にご相談ください!
Loading...

