スチール製
-
スチール製
-
ステンレス製
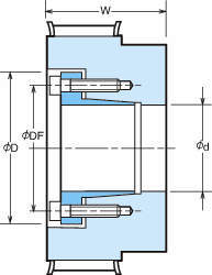
・位置決め・位相合わせ簡単でガタはゼロ
・一切の追加効果不要
・シンプルな構造で、取付取り外しが容易
・フラット取付はさらに軽量・省スペース
共通仕様
| プーリ | スチール製:機械構造用炭素鋼 アルミ製:高強度アルミ合金(A7075相当) |
|---|---|
| スリーブ | 機械構造用炭素鋼、熱処理(焼入焼戻) |
| 締付ボルト | 構造用合金、熱処理(焼入焼戻)、黒色酸化被膜処理 |

