・チェーンの幅寸法は他のフリーフローチェーンよりも小さくなっています。
・トップローラを両側のプレートで支持していますので、頑丈なフリーフローコンベヤに適します。
椿本チエイン
トップローラ付 RS形チェーン
詳細仕様
40件の型式
| 型式 | タイプ | チェーン番号 | トップローラ |
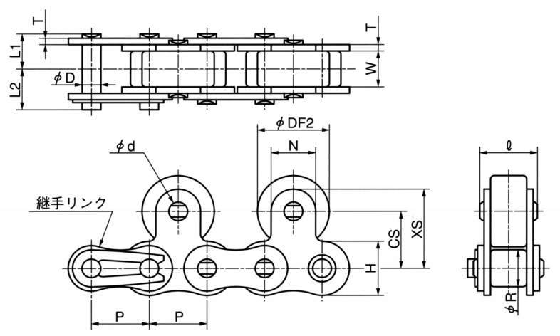
ピッチ P (mm) |
ローラ径 R (mm) |
内リンク内幅 W (mm) |
プレート(mm) | ピン(mm) | トップローラ(mm) |
最大許容張力 (kN) |
概略質量 (kg/m) |
||||||||||
|---|---|---|---|---|---|---|---|---|---|---|---|---|---|---|---|---|---|---|---|---|---|
| 種類 | 取付間隔 | 厚さ T | 幅 H | ピン径 D | L1 | L2 | DF1 | DF2 | CS | XS | l1 | l2 | d | ||||||||
| RS40-1LTRPS-L | リンク | RS40 | プラローラ | 1L | 12.7 | 7.92 | 7.95 | 1.5 | 12 | 3.97 | 8.25 | 9.95 | 11 | 15.88 | 12.7 | 17.45 | 8.25 | 9.65 | 3.97 | 2.65 | 0.92 |
| RS40-2LTRPRL-L | リンク | RS40 | プラローラ | 2L | 12.7 | 7.92 | 7.95 | 1.5 | 12 | 3.97 | 8.25 | 9.95 | 11 | 15.88 | 12.7 | 17.45 | 8.25 | 9.65 | 3.97 | 2.65 | 0.85 |
| RS50-1LTRPS-L | リンク | RS50 | プラローラ | 1L | 15.88 | 10.16 | 9.53 | 2 | 15 | 5.09 | 10.3 | 12 | 15 | 19.05 | 15.9 | 22.25 | 10.3 | 11.9 | 5.09 | 4.31 | 1.56 |
| RS50-2LTRPRL-L | リンク | RS50 | プラローラ | 2L | 15.88 | 10.16 | 9.53 | 2 | 15 | 5.09 | 10.3 | 12 | 15 | 19.05 | 15.9 | 22.25 | 10.3 | 11.9 | 5.09 | 4.31 | 1.38 |
| RS60-1LTRPS-L | リンク | RS60 | プラローラ | 1L | 19.05 | 11.91 | 12.7 | 2.4 | 18.1 | 5.96 | 12.85 | 14.75 | 18 | 22.23 | 18.3 | 26.25 | 12.85 | 15.25 | 5.96 | 6.28 | 2.3 |
| RS60-2LTRPRL-L | リンク | RS60 | プラローラ | 2L | 19.05 | 11.91 | 12.7 | 2.4 | 18.1 | 5.96 | 12.85 | 14.75 | 18 | 22.23 | 18.3 | 26.25 | 12.85 | 15.25 | 5.96 | 6.28 | 2.03 |
| RS80-1LTRPS-L | リンク | RS80 | プラローラ | 1L | 25.4 | 25.88 | 15.88 | 3.2 | 24.1 | 7.94 | 16.25 | 19.25 | 24 | 28.58 | 24.6 | 34.15 | 16.25 | 19.25 | 7.94 | 10.71 | 3.9 |
| RS80-2LTRPRL-L | リンク | RS80 | プラローラ | 2L | 25.4 | 25.88 | 15.88 | 3.2 | 24.1 | 7.94 | 16.25 | 19.25 | 24 | 28.58 | 24.6 | 34.15 | 16.25 | 19.25 | 7.94 | 10.71 | 3.44 |
| RS100-1LTRPS-L | リンク | RS100 | プラローラ | 1L | 31.75 | 19.05 | 19.05 | 4 | 30.1 | 9.54 | 19.75 | 22.85 | 30 | 39.69 | 31.8 | 44.5 | 19.75 | 22.85 | 9.54 | 17.1 | 6.06 |
| RS100-2LTRPRL-L | リンク | RS100 | プラローラ | 2L | 31.75 | 19.05 | 19.05 | 4 | 30.1 | 9.54 | 19.75 | 22.85 | 30 | 39.69 | 31.8 | 44.5 | 19.75 | 22.85 | 9.54 | 17.1 | 5.41 |
| 型式 | 商品コード | 単位 |
価格 (円) |
基準納期 | |
|---|---|---|---|---|---|
| 日伝 | メーカー | ||||
| RS40-1LTRPS-L | RS40-1LTRPS-L | L | 353 | - | 15日間 |
| RS40-2LTRPRL-L | RS40-2LTRPRL-L | L | 227 | - | 15日間 |
| RS50-1LTRPS-L | RS50-1LTRPS-L | L | 400 | - | 15日間 |
| RS50-2LTRPRL-L | RS50-2LTRPRL-L | L | 271 | - | 15日間 |
| RS60-1LTRPS-L | RS60-1LTRPS-L | L | 540 | - | 15日間 |
| RS60-2LTRPRL-L | RS60-2LTRPRL-L | L | 329 | - | 15日間 |
| RS80-1LTRPS-L | RS80-1LTRPS-L | L | 1,140 | - | 30日間 |
| RS80-2LTRPRL-L | RS80-2LTRPRL-L | L | 642 | - | 30日間 |
| RS100-1LTRPS-L | RS100-1LTRPS-L | L | 1,840 | - | 30日間 |
| RS100-2LTRPRL-L | RS100-2LTRPRL-L | L | 1,120 | - | 30日間 |
この製品を見た人はこのような製品も見ています
製品についてのご質問やお困りごとなどお気軽にご相談ください!
Loading...

