・ピン~ブシュ間にニードルケージ(ケージはエンプラ製)を使用+スチール(外プレート:黒染め、内プレート:ニッケルメッキ)。
・運転開始時にわずかに初期摩耗伸び(0.03%)が発生した後、摩耗伸びは発生しません。
・ニードルブシュチェーン普通仕様に比べ安価なチェーンです。
共通仕様
| 使用温度範囲 | −10℃~60℃ |
|---|
椿本チエイン
・ピン~ブシュ間にニードルケージ(ケージはエンプラ製)を使用+スチール(外プレート:黒染め、内プレート:ニッケルメッキ)。
・運転開始時にわずかに初期摩耗伸び(0.03%)が発生した後、摩耗伸びは発生しません。
・ニードルブシュチェーン普通仕様に比べ安価なチェーンです。
| 使用温度範囲 | −10℃~60℃ |
|---|
96件の型式
| 型式 | タイプ |
チェーン 番号 |
ローラ 形式 |
アタッチメント |
ピッチ P (mm) |
ローラ径 R (mm) |
内リンク内幅 W (mm) |
プレート(mm) | ピン(mm) | アタッチメン(mm) |
最大 許容張力 (kN) |
概略 質量 (kg/m) |
アタッチメント1個 当たりの付加質量 (kg) |
|||||||||||
|---|---|---|---|---|---|---|---|---|---|---|---|---|---|---|---|---|---|---|---|---|---|---|---|---|
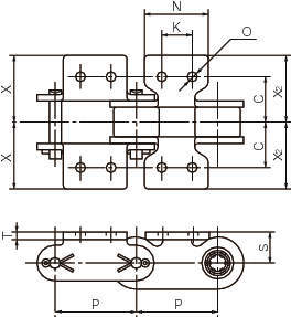
| 形式 | 間隔 | 厚さ T | 幅 h | 幅 H | ピン径 D | L1 | L2 | S | C | X | X2 | N | K | O | ||||||||||
| RF2040R-NC-L | リンク | RF2040 | R | - | - | 25.40 | 15.88 | 7.95 | 1.5 | 12.0 | 17.5 | 3.97 | 8.25 | 9.95 | 9.1 | 12.70 | 19.3 | 19.3 | 19.1 | 9.5 | 3.6 | 0.44 | 0.99 | - |
| RF2050R-NC-L | リンク | RF2050 | R | - | - | 31.75 | 19.05 | 9.53 | 2.0 | 15.0 | 21.0 | 5.09 | 10.30 | 12.00 | 11.1 | 15.90 | 24.2 | 24.2 | 23.8 | 11.9 | 5.2 | 0.69 | 1.72 | - |
| RF2060R-NC-L | リンク | RF2060 | R | - | - | 38.10 | 22.23 | 12.70 | 3.2 | 17.2 | 26.0 | 5.96 | 14.55 | 16.55 | 14.7 | 21.45 | 31.5 | 31.5 | 28.6 | 14.3 | 5.2 | 1.03 | 2.57 | - |
| RF2080R-NC-L | リンク | RF2080 | R | - | - | 50.80 | 28.58 | 15.88 | 4.0 | 23.0 | 35.0 | 7.94 | 18.30 | 20.90 | 19.1 | 27.80 | 40.7 | 40.7 | 38.1 | 19.1 | 6.8 | 1.77 | 3.88 | - |
| RF2040R-NC-1LA2-L | リンク | RF2040 | R | A2 | - | 25.40 | 15.88 | 7.95 | 1.5 | 12.0 | 17.5 | 3.97 | 8.25 | 9.95 | 9.1 | 12.70 | 19.3 | 19.3 | 19.1 | 9.5 | 3.6 | 0.44 | 0.99 | 0.003 |
| RF2040R-NC-2LA2-L | リンク | RF2040 | R | A2 | - | 25.40 | 15.88 | 7.95 | 1.5 | 12.0 | 17.5 | 3.97 | 8.25 | 9.95 | 9.1 | 12.70 | 19.3 | 19.3 | 19.1 | 9.5 | 3.6 | 0.44 | 0.99 | 0.003 |
| RF2040R-NC-3LA2-L | リンク | RF2040 | R | A2 | - | 25.40 | 15.88 | 7.95 | 1.5 | 12.0 | 17.5 | 3.97 | 8.25 | 9.95 | 9.1 | 12.70 | 19.3 | 19.3 | 19.1 | 9.5 | 3.6 | 0.44 | 0.99 | 0.003 |
| RF2040R-NC-4LA2-L | リンク | RF2040 | R | A2 | - | 25.40 | 15.88 | 7.95 | 1.5 | 12.0 | 17.5 | 3.97 | 8.25 | 9.95 | 9.1 | 12.70 | 19.3 | 19.3 | 19.1 | 9.5 | 3.6 | 0.44 | 0.99 | 0.003 |
| RF2040R-NC-5LA2-L | リンク | RF2040 | R | A2 | - | 25.40 | 15.88 | 7.95 | 1.5 | 12.0 | 17.5 | 3.97 | 8.25 | 9.95 | 9.1 | 12.70 | 19.3 | 19.3 | 19.1 | 9.5 | 3.6 | 0.44 | 0.99 | 0.003 |
| RF2040R-NC-6LA2-L | リンク | RF2040 | R | A2 | - | 25.40 | 15.88 | 7.95 | 1.5 | 12.0 | 17.5 | 3.97 | 8.25 | 9.95 | 9.1 | 12.70 | 19.3 | 19.3 | 19.1 | 9.5 | 3.6 | 0.44 | 0.99 | 0.003 |
| 型式 | 商品コード | 単位 |
価格 (円) |
基準納期 | |
|---|---|---|---|---|---|
| 日伝 | メーカー | ||||
| RF2040R-NC-L | RF2040R-NC-L | L | 2,000 | - | - |
| RF2050R-NC-L | RF2050R-NC-L | L | 2,270 | - | - |
| RF2060R-NC-L | RF2060R-NC-L | L | 2,510 | - | - |
| RF2080R-NC-L | RF2080R-NC-L | L | 2,710 | - | - |
| RF2040R-NC-1LA2-L | RF2040R-NC-1LA2-L | L | 2,050 | - | - |
| RF2040R-NC-2LA2-L | RF2040R-NC-2LA2-L | L | 2,040 | - | - |
| RF2040R-NC-3LA2-L | RF2040R-NC-3LA2-L | L | 2,040 | - | - |
| RF2040R-NC-4LA2-L | RF2040R-NC-4LA2-L | L | 2,040 | - | - |
| RF2040R-NC-5LA2-L | RF2040R-NC-5LA2-L | L | 2,040 | - | - |
| RF2040R-NC-6LA2-L | RF2040R-NC-6LA2-L | L | 2,040 | - | - |
製品についてのご質問やお困りごとなどお気軽にご相談ください!