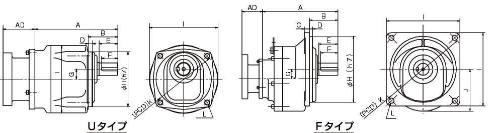
脚取付
-
脚取付
-
フェイスマウント形
【ヘリカルギヤヘッド】
■平行軸タイプで高効率。
■汎用ギヤヘッドをサーボ化し、高い経済性と短納期を両立しました。
■エコノミー
・汎用ギヤヘッドをサーボ用途化することで、エコノミーかつ短納期で製品をお届けできます。
■高効率
・高効率のヘリカルギヤを採用。
・サーボモータの能力を最大限に活用できます。
■低騒音・長寿命
・ギヤモートルでの長年の実績により、低騒音・長寿命の減速部を継承しています。
■取付方向も自由
・水平、垂直、傾斜等、据付角度の制限はありません。
【サーボモータ用減速機 TERVOシリーズの特長】
■サーボモータによる高度モーションコントロールに最適なサーボモータ用減速機TERVO(テルボ)は、ハイポイド・ヘルカル・ウォームの3種類のギヤ、出力軸も直交軸と平行軸、中空タイプと中実タイプが選択可能で、幅広い用途・レイアウトに最適な製品をお選びいただけます。
■各社サーボモータに対応するとともに、汎用ギヤヘッドをサーボ用ギヤヘッド化することで、高い経済性と短納期を両立しました。

