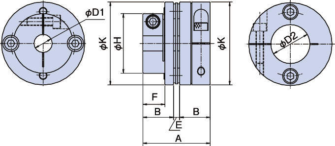
ストレートハブ×ストレートハブ
-
ストレートハブ×ストレートハブ
-
低慣性ハブ×低慣性ハブ
-
低慣性ハブ×低慣性ハブ
・低慣性モーメント
ハブ材質に軽量・高強度の超々ジュラルミンを採用し独自のハブ形状により低慣性を実現しました。サーボモータ駆動等の高加減速運転に最適です。
・高ねじり剛性
ストレートハブは高ねじり剛性を誇りサーボモータ駆動等の追従性に優れ、精密な制御に最適です。
・高トルク、確実な軸締結力
独自のクランプ形状により軸締結力をアップしました。
・ノンバックラッシ
動力伝達は全て摩擦締結により行われるため、バックラッシはありません。高いねじり剛性と合わせ高精度の位置決めに最適です。
・取付け容易
両側のハブは専用治具で芯出しを行い、同軸度を確保して組立てしています。軸との締結はクランプ方式のため両側2本のクランプボルトを締付けるだけで取付けができます。
・環境にやさしい
本製品はRoHS、JIG、PFOSおよびSVHC(15物質)の有害化学物質規制に対応しています。

