・今までは不可能とされていた搬送システムへのチェーンの使用が可能となり、生産性向上を図るための自動化、省力化、高速化に適します。
・ピン~ブシュ間にニードル(スチール製)を挿入+スチール(プレートのみニッケルメッキ処理)
・初期摩耗伸びは、ニードルケージチェーンより少なく(0.02%)、その後摩耗伸びは発生しません。
共通仕様
| 使用温度範囲 | −10℃~150℃ 使用温度に適した潤滑油をご使用ください。 |
|---|
椿本チエイン
・今までは不可能とされていた搬送システムへのチェーンの使用が可能となり、生産性向上を図るための自動化、省力化、高速化に適します。
・ピン~ブシュ間にニードル(スチール製)を挿入+スチール(プレートのみニッケルメッキ処理)
・初期摩耗伸びは、ニードルケージチェーンより少なく(0.02%)、その後摩耗伸びは発生しません。
| 使用温度範囲 | −10℃~150℃ 使用温度に適した潤滑油をご使用ください。 |
|---|
96件の型式
| 型式 | タイプ |
チェーン 番号 |
ローラ 形式 |
アタッチメント |
ピッチ P (mm) |
ローラ径 R (mm) |
内リンク内幅 W (mm) |
プレート(mm) | ピン(mm) | アタッチメン(mm) |
最大 許容張力 (kN) |
概略 質量 (kg/m) |
アタッチメント1個 当たりの付加質量 (kg) |
|||||||||||
|---|---|---|---|---|---|---|---|---|---|---|---|---|---|---|---|---|---|---|---|---|---|---|---|---|
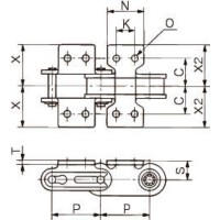
| 形式 | 間隔 | 厚さ T | 幅 h | 幅 H | ピン径 D | L1 | L2 | S | C | X | X2 | N | K | O | ||||||||||
| RF2040R-NB-L | リンク | RF2040 | R | - | - | 25.40 | 15.88 | 7.95 | 1.5 | 12.0 | 17.5 | 3.97 | 8.25 | 9.95 | 9.1 | 12.70 | 19.3 | 19.3 | 19.1 | 9.5 | 3.6 | 0.78 | 0.99 | - |
| RF2050R-NB-L | リンク | RF2050 | R | - | - | 31.75 | 19.05 | 9.53 | 2.0 | 15.0 | 21.0 | 4.97 | 10.30 | 12.00 | 11.1 | 15.90 | 24.2 | 24.2 | 23.8 | 11.9 | 5.2 | 1.27 | 1.72 | - |
| RF2060R-NB-L | リンク | RF2060 | R | - | - | 38.10 | 22.23 | 12.70 | 3.2 | 17.2 | 26.0 | 5.96 | 14.55 | 16.55 | 14.7 | 21.45 | 31.5 | 31.5 | 28.6 | 14.3 | 5.2 | 1.77 | 2.57 | - |
| RF2080R-NB-L | リンク | RF2080 | R | - | - | 50.80 | 25.58 | 15.88 | 4.0 | 23.0 | 35.0 | 7.94 | 18.30 | 20.90 | 19.1 | 27.80 | 40.7 | 40.7 | 38.1 | 19.1 | 6.8 | 2.94 | 3.88 | - |
| RF2040R-NB-1LA2-L | リンク | RF2040 | R | A2 | 1L | 25.40 | 15.88 | 7.95 | 1.5 | 12.0 | 17.5 | 3.97 | 8.25 | 9.95 | 9.1 | 12.70 | 19.3 | 19.3 | 19.1 | 9.5 | 3.6 | 0.78 | 0.99 | 0.003 |
| RF2040R-NB-2LA2-L | リンク | RF2040 | R | A2 | 2L | 25.40 | 15.88 | 7.95 | 1.5 | 12.0 | 17.5 | 3.97 | 8.25 | 9.95 | 9.1 | 12.70 | 19.3 | 19.3 | 19.1 | 9.5 | 3.6 | 0.78 | 0.99 | 0.003 |
| RF2040R-NB-3LA2-L | リンク | RF2040 | R | A2 | 3L | 25.40 | 15.88 | 7.95 | 1.5 | 12.0 | 17.5 | 3.97 | 8.25 | 9.95 | 9.1 | 12.70 | 19.3 | 19.3 | 19.1 | 9.5 | 3.6 | 0.78 | 0.99 | 0.003 |
| RF2040R-NB-4LA2-L | リンク | RF2040 | R | A2 | 4L | 25.40 | 15.88 | 7.95 | 1.5 | 12.0 | 17.5 | 3.97 | 8.25 | 9.95 | 9.1 | 12.70 | 19.3 | 19.3 | 19.1 | 9.5 | 3.6 | 0.78 | 0.99 | 0.003 |
| RF2040R-NB-5LA2-L | リンク | RF2040 | R | A2 | 5L | 25.40 | 15.88 | 7.95 | 1.5 | 12.0 | 17.5 | 3.97 | 8.25 | 9.95 | 9.1 | 12.70 | 19.3 | 19.3 | 19.1 | 9.5 | 3.6 | 0.78 | 0.99 | 0.003 |
| RF2040R-NB-6LA2-L | リンク | RF2040 | R | A2 | 6L | 25.40 | 15.88 | 7.95 | 1.5 | 12.0 | 17.5 | 3.97 | 8.25 | 9.95 | 9.1 | 12.70 | 19.3 | 19.3 | 19.1 | 9.5 | 3.6 | 0.78 | 0.99 | 0.003 |
| 型式 | 商品コード | 単位 |
価格 (円) |
基準納期 | |
|---|---|---|---|---|---|
| 日伝 | メーカー | ||||
| RF2040R-NB-L | RF2040R-NB-L | L | 3,270 | - | 30日間 |
| RF2050R-NB-L | RF2050R-NB-L | L | 3,730 | - | 30日間 |
| RF2060R-NB-L | RF2060R-NB-L | L | 4,200 | - | 30日間 |
| RF2080R-NB-L | RF2080R-NB-L | L | 4,440 | - | 30日間 |
| RF2040R-NB-1LA2-L | RF2040R-NB-1LA2-L | L | 3,290 | - | 30日間 |
| RF2040R-NB-2LA2-L | RF2040R-NB-2LA2-L | L | 3,290 | - | 30日間 |
| RF2040R-NB-3LA2-L | RF2040R-NB-3LA2-L | L | 3,290 | - | 30日間 |
| RF2040R-NB-4LA2-L | RF2040R-NB-4LA2-L | L | 3,290 | - | 30日間 |
| RF2040R-NB-5LA2-L | RF2040R-NB-5LA2-L | L | 3,290 | - | 30日間 |
| RF2040R-NB-6LA2-L | RF2040R-NB-6LA2-L | L | 3,290 | - | 30日間 |
製品についてのご質問やお困りごとなどお気軽にご相談ください!