・今までは不可能とされていた搬送システムへのチェーンの使用が可能となり、生産性向上を図るための自動化、省力化、高速化に適します。
・ニードル以外の部品はステンレス製です。
・ベアリング部はシール付です。水滴のかかる雰囲気で使用可能です。
・チェーンの摩耗伸びはごく少なくなっています。
共通仕様
| 使用温度範囲 | −10℃~60℃ |
|---|
椿本チエイン
・今までは不可能とされていた搬送システムへのチェーンの使用が可能となり、生産性向上を図るための自動化、省力化、高速化に適します。
・ニードル以外の部品はステンレス製です。
・ベアリング部はシール付です。水滴のかかる雰囲気で使用可能です。
・チェーンの摩耗伸びはごく少なくなっています。
| 使用温度範囲 | −10℃~60℃ |
|---|
96件の型式
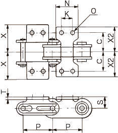
| 型式 | タイプ |
チェーン 番号 |
ローラ 形式 |
アタッチメント |
ピッチ P (mm) |
ローラ径 R (mm) |
内リンク内幅 W (mm) |
プレート(mm) | ピン(mm) | アタッチメン(mm) |
最大 許容張力 (kN) |
概略 質量 (kg/m) |
アタッチメント1個 当たりの付加質量 (kg) |
|||||||||||
|---|---|---|---|---|---|---|---|---|---|---|---|---|---|---|---|---|---|---|---|---|---|---|---|---|
| 形式 | 間隔 | 厚さ T | 幅 h | 幅 H | ピン径 D | L1 | L2 | S | C | X | X2 | N | K | O | ||||||||||
| RF2040R-NBSS-1LA2-L | リンク | RF2040 | R | A2 | 1L | 25.4 | 15.88 | 7.95 | 1.5 | 12 | 17.5 | 3.97 | 10.45 | 12.15 | 9.1 | 14.9 | 21.5 | 19.3 | 19.1 | 9.5 | 3.6 | 1.06 | 0.99 | 0.003 |
| RF2040R-NBSS-2LA2-L | リンク | RF2040 | R | A2 | 2L | 25.4 | 15.88 | 7.95 | 1.5 | 12 | 17.5 | 3.97 | 10.45 | 12.15 | 9.1 | 14.9 | 21.5 | 19.3 | 19.1 | 9.5 | 3.6 | 1.06 | 0.99 | 0.003 |
| RF2040R-NBSS-3LA2-L | リンク | RF2040 | R | A2 | 3L | 25.4 | 15.88 | 7.95 | 1.5 | 12 | 17.5 | 3.97 | 10.45 | 12.15 | 9.1 | 14.9 | 21.5 | 19.3 | 19.1 | 9.5 | 3.6 | 1.06 | 0.99 | 0.003 |
| RF2040R-NBSS-4LA2-L | リンク | RF2040 | R | A2 | 4L | 25.4 | 15.88 | 7.95 | 1.5 | 12 | 17.5 | 3.97 | 10.45 | 12.15 | 9.1 | 14.9 | 21.5 | 19.3 | 19.1 | 9.5 | 3.6 | 1.06 | 0.99 | 0.003 |
| RF2040R-NBSS-5LA2-L | リンク | RF2040 | R | A2 | 5L | 25.4 | 15.88 | 7.95 | 1.5 | 12 | 17.5 | 3.97 | 10.45 | 12.15 | 9.1 | 14.9 | 21.5 | 19.3 | 19.1 | 9.5 | 3.6 | 1.06 | 0.99 | 0.003 |
| RF2040R-NBSS-6LA2-L | リンク | RF2040 | R | A2 | 6L | 25.4 | 15.88 | 7.95 | 1.5 | 12 | 17.5 | 3.97 | 10.45 | 12.15 | 9.1 | 14.9 | 21.5 | 19.3 | 19.1 | 9.5 | 3.6 | 1.06 | 0.99 | 0.003 |
| RF2040R-NBSS-7LA2-L | リンク | RF2040 | R | A2 | 7L | 25.4 | 15.88 | 7.95 | 1.5 | 12 | 17.5 | 3.97 | 10.45 | 12.15 | 9.1 | 14.9 | 21.5 | 19.3 | 19.1 | 9.5 | 3.6 | 1.06 | 0.99 | 0.003 |
| RF2040R-NBSS-8LA2-L | リンク | RF2040 | R | A2 | 8L | 25.4 | 15.88 | 7.95 | 1.5 | 12 | 17.5 | 3.97 | 10.45 | 12.15 | 9.1 | 14.9 | 21.5 | 19.3 | 19.1 | 9.5 | 3.6 | 1.06 | 0.99 | 0.003 |
| RF2040R-NBSS-9LA2-L | リンク | RF2040 | R | A2 | 9L | 25.4 | 15.88 | 7.95 | 1.5 | 12 | 17.5 | 3.97 | 10.45 | 12.15 | 9.1 | 14.9 | 21.5 | 19.3 | 19.1 | 9.5 | 3.6 | 1.06 | 0.99 | 0.003 |
| RF2040R-NBSS-10LA2-L | リンク | RF2040 | R | A2 | 10L | 25.4 | 15.88 | 7.95 | 1.5 | 12 | 17.5 | 3.97 | 10.45 | 12.15 | 9.1 | 14.9 | 21.5 | 19.3 | 19.1 | 9.5 | 3.6 | 1.06 | 0.99 | 0.003 |
| 型式 | 商品コード | 単位 |
価格 (円) |
基準納期 | |
|---|---|---|---|---|---|
| 日伝 | メーカー | ||||
| RF2040R-NBSS-1LA2-L | RF2040R-NBSS-1LA2-L | L | 8,760 | - | - |
| RF2040R-NBSS-2LA2-L | RF2040R-NBSS-2LA2-L | L | 8,600 | - | - |
| RF2040R-NBSS-3LA2-L | RF2040R-NBSS-3LA2-L | L | 8,600 | - | - |
| RF2040R-NBSS-4LA2-L | RF2040R-NBSS-4LA2-L | L | 8,600 | - | - |
| RF2040R-NBSS-5LA2-L | RF2040R-NBSS-5LA2-L | L | 8,600 | - | - |
| RF2040R-NBSS-6LA2-L | RF2040R-NBSS-6LA2-L | L | 8,600 | - | - |
| RF2040R-NBSS-7LA2-L | RF2040R-NBSS-7LA2-L | L | 8,600 | - | - |
| RF2040R-NBSS-8LA2-L | RF2040R-NBSS-8LA2-L | L | 8,600 | - | - |
| RF2040R-NBSS-9LA2-L | RF2040R-NBSS-9LA2-L | L | 8,600 | - | - |
| RF2040R-NBSS-10LA2-L | RF2040R-NBSS-10LA2-L | L | 8,600 | - | - |
製品についてのご質問やお困りごとなどお気軽にご相談ください!