モノづくりの困ったを解決する総合サイト

Produced by

椿本チエイン

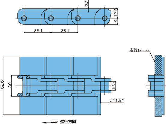
プラトップチェーン TPRF2060形

・バイピッチチェーンにプラスチック製プレートを設けた搬送用チェーンです。

#トップチェーン
#搬送

共通仕様

タイプ 直線搬送用
チェーンピッチ 38.1mm
適用スプロケット バイピッチチェーン用スプロケット RF2060S(歯数19枚以上)

CADメーカーTOP

この製品を見た人はこのような製品も見ています

1952年設立で、動力伝導機器・産業機器・制御機器等の機械設備及び機械器具関連製品の販売をしている専門総合商社です。
日本国内で40以上の拠点を持ち、信頼性の高い製品と技術力で、全国のものづくりに携わる方々のあらゆるお困りごとを解決しています。

Loading...