共通仕様
| タイプ | 曲線搬送用 |
|---|---|
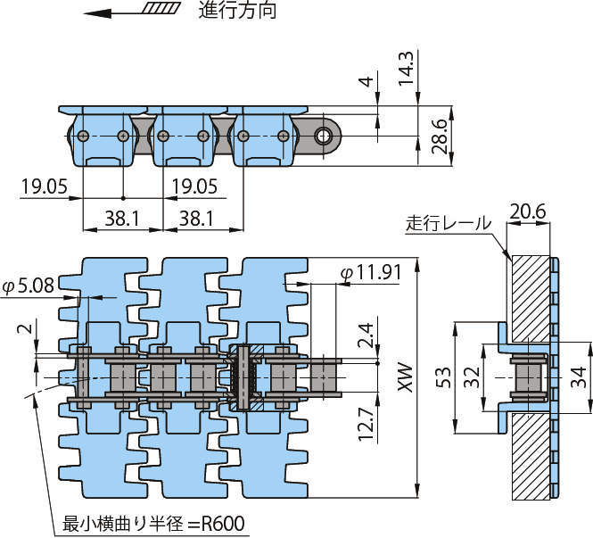
| チェーンピッチ | 19.05mm |
| 最小横曲り半径 | 600mm |
| 適用スプロケット | RSスプロケット RS60(歯数20枚以上) |
椿本チエイン
| タイプ | 曲線搬送用 |
|---|---|
| チェーンピッチ | 19.05mm |
| 最小横曲り半径 | 600mm |
| 適用スプロケット | RSスプロケット RS60(歯数20枚以上) |
1件の型式
| 型式 | タイプ | 仕様 | 外観色 |
トッププレート幅 XW (mm) |
チェーン ピッチ (mm) |
最大 許容張力 (kN) |
許容速度(m/min) |
使用温度範囲 (℃) |
概略質量 (kg/m) |
|
|---|---|---|---|---|---|---|---|---|---|---|
| 潤滑有 | 潤滑なし | |||||||||
| TP-PT44-LFG | リンク | 低摩擦・耐摩耗 | グリーン | 144.3 | 19.05 | 2.16 | 100 | 40 | -20~(65)80 | 2.3 |
| 型式 | 商品コード | 単位 |
価格 (円) |
基準納期 | |
|---|---|---|---|---|---|
| 日伝 | メーカー | ||||
| TP-PT44-LFG | TP-PT44-LFG-L | L | 1,220 | - | 30日間 |
製品についてのご質問やお困りごとなどお気軽にご相談ください!