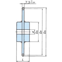
1Cタイプ
-
1Cタイプ
RSローラチェーン(JIS規格・ISO系規格品)用のスプロケットです。
・JIS規格に準拠した標準スプロケット(下穴品)です。
・RS40ローラーチェン用のスプロケットです。
・1Cタイプは、1列用・両側ボス付き形状のスプロケットです。
・歯部の強度と耐摩耗寿命向上を必要とする場合、歯先硬化仕様のスプロケットを推奨します。
・よく使われるサイズ・歯数を在庫即納体制としています。
共通仕様
| 適用チェーンピッチ | 12.70mm |
|---|---|
| ローラ径 | 7.92mm |
| 材質・仕様 | 機械構造用炭素鋼材(歯形部) 一般構造用圧延鋼材(ハブ) 溶接仕様 |

