1Cタイプ
-
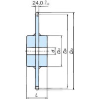
1Cタイプ
RSローラチェーン(JIS規格・ISO系規格品)用のスプロケットです。
・JIS規格に準拠した標準スプロケット(下穴品)です。
・RS120ローラーチェン用のスプロケットです。
・1Cタイプは、1列用・両側ボス付き形状のスプロケットです。
・歯部の強度と耐摩耗寿命向上を必要とする場合、歯先硬化仕様のスプロケットを推奨します。
共通仕様
| 適用チェーンピッチ | 38.10mm |
|---|---|
| ローラ径 | 22.23mm |
| 材質・仕様 | 機械構造用炭素鋼材(歯形部) 一般構造用圧延鋼材(ハブ)・溶接仕様 |

