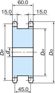
単列チェーン2本掛け専用のスプロケット。 全品種とも歯先硬化処理品です。
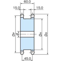
・JIS規格に準拠した標準スプロケット(下穴品)です。
・RS80ローラーチェン用のスプロケットです。
・SD(シングルデュアルタイプ)は、単列チェーン2本掛け専用のスプロケットです。
・全品種とも歯先硬化処理品です。
・よく使われるサイズ・歯数を在庫即納体制としています。
共通仕様
| 適用チェーンピッチ | 25.40mm |
|---|---|
| ローラ径 | 15.88mm |
| 材質・仕様 | 機械構造用炭素鋼材・削り出し仕様 |
| 備考 | すべて歯先硬化処理品です。 |

