・軸穴径・キー溝仕上げ済み、止めねじ2ヵ所付。
・面倒な追加工無しで、そのまま使用できます。
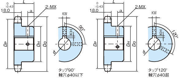
共通仕様
| 適用チェーンピッチ | 31.75mm |
|---|---|
| ローラー径 | 19.05mm |
| 歯先硬化処理 | 高周波焼き入れ |
| 軸穴公差 | H7公差仕上げ |
| キー溝仕様 | 新JIS規格(JIS B1301-1996)の平行キー並級(Js9) に基づいて歯底基準で仕上げ |
| 止めねじ | 全品種2ヵ所(キー溝上および90°側面または、仕上穴がφ40mmを超える場合は120°側面)止めねじ付。 |
椿本チエイン
・軸穴径・キー溝仕上げ済み、止めねじ2ヵ所付。
・面倒な追加工無しで、そのまま使用できます。
| 適用チェーンピッチ | 31.75mm |
|---|---|
| ローラー径 | 19.05mm |
| 歯先硬化処理 | 高周波焼き入れ |
| 軸穴公差 | H7公差仕上げ |
| キー溝仕様 | 新JIS規格(JIS B1301-1996)の平行キー並級(Js9) に基づいて歯底基準で仕上げ |
| 止めねじ | 全品種2ヵ所(キー溝上および90°側面または、仕上穴がφ40mmを超える場合は120°側面)止めねじ付。 |
89件の型式
| 型式 | 歯数 |
ピッチ円直径 DP (mm) |
外径 Do (mm) |
ハブ径 DH (mm) |
ハブ長さ L (mm) |
仕上軸穴径 d (mm) |
タップ位置 a (mm) |
キー溝幅 KW |
キー溝深さ KH |
止めネジ サイズ |
||
|---|---|---|---|---|---|---|---|---|---|---|---|---|
| (mm) | 公差 | (mm) | 公差 | |||||||||
| RS100-1B10TQ-H025N-J08D2M06 | 10 | 102.75 | 117 | 65 | 50 | 25 | 15 | 8 | ±0.0180 | 3.3 | #DIV/0! | M6 |
| RS100-1B10TQ-H028N-J08D2M06 | 10 | 102.75 | 117 | 65 | 50 | 28 | 15 | 8 | ±0.0180 | 3.3 | #DIV/0! | M6 |
| RS100-1B10TQ-H030N-J08D2M06 | 10 | 102.75 | 117 | 65 | 50 | 30 | 15 | 8 | ±0.0180 | 3.3 | #DIV/0! | M6 |
| RS100-1B10TQ-H032N-J10D2M08 | 10 | 102.75 | 117 | 65 | 50 | 32 | 15 | 10 | ±0.0180 | 3.3 | #DIV/0! | M8 |
| RS100-1B10TQ-H035N-J10D2M08 | 10 | 102.75 | 117 | 65 | 50 | 35 | 15 | 10 | ±0.0180 | 3.3 | #DIV/0! | M8 |
| RS100-1B10TQ-H038N-J10D2M08 | 10 | 102.75 | 117 | 65 | 50 | 38 | 15 | 10 | ±0.0180 | 3.3 | #DIV/0! | M8 |
| RS100-1B10TQ-H040N-J12D2M08 | 10 | 102.75 | 117 | 65 | 50 | 40 | 15 | 12 | ±0.0215 | 3.3 | #DIV/0! | M8 |
| RS100-1B10TQ-H042N-J12D3M08 | 10 | 102.75 | 117 | 65 | 50 | 42 | 15 | 12 | ±0.0215 | 3.3 | #DIV/0! | M8 |
| RS100-1B11TQ-H025N-J08D2M06 | 11 | 112.7 | 127 | 75 | 50 | 25 | 15 | 8 | ±0.0180 | 3.3 | #DIV/0! | M6 |
| RS100-1B11TQ-H028N-J08D2M06 | 11 | 112.7 | 127 | 75 | 50 | 28 | 15 | 8 | ±0.0180 | 3.3 | #DIV/0! | M6 |
| 型式 | 商品コード | 単位 |
価格 (円) |
基準納期 | |
|---|---|---|---|---|---|
| 日伝 | メーカー | ||||
| RS100-1B10TQ-H025N-J08D2M06 | RS100-1B10TQ-H025N-J08D2M06 | P | 6,880 | - | 在庫品 |
| RS100-1B10TQ-H028N-J08D2M06 | RS100-1B10TQ-H028N-J08D2M06 | P | 6,880 | - | 在庫品 |
| RS100-1B10TQ-H030N-J08D2M06 | RS100-1B10TQ-H030N-J08D2M06 | P | 6,880 | - | 在庫品 |
| RS100-1B10TQ-H032N-J10D2M08 | RS100-1B10TQ-H032N-J10D2M08 | P | 6,880 | - | 在庫品 |
| RS100-1B10TQ-H035N-J10D2M08 | RS100-1B10TQ-H035N-J10D2M08 | P | 6,880 | - | 在庫品 |
| RS100-1B10TQ-H038N-J10D2M08 | RS100-1B10TQ-H038N-J10D2M08 | P | 6,880 | - | 在庫品 |
| RS100-1B10TQ-H040N-J12D2M08 | RS100-1B10TQ-H040N-J12D2M08 | P | 6,880 | - | 在庫品 |
| RS100-1B10TQ-H042N-J12D3M08 | RS100-1B10TQ-H042N-J12D3M08 | P | 6,880 | - | 在庫品 |
| RS100-1B11TQ-H025N-J08D2M06 | RS100-1B11TQ-H025N-J08D2M06 | P | 7,080 | - | 在庫品 |
| RS100-1B11TQ-H028N-J08D2M06 | RS100-1B11TQ-H028N-J08D2M06 | P | 7,080 | - | 在庫品 |
製品についてのご質問やお困りごとなどお気軽にご相談ください!