モノづくりの困ったを解決する総合サイト

Produced by

椿本チエイン

過負荷保護機器(機械式)|ショックガード TGHシリーズ(カップリングタイプ)

TGH□-□CN(NERカップリング)

  • TGH□-□CN(NERカップリング)

  • TGH□-□CA(AFTカップリング)

過負荷が発生すると同時に遮断。短時間復旧で、生産性を向上

■カップリング NERタイプ
・ディスクカップリングである、「エクトフレックスカップリングNERシリーズ」を採用しています。
・高剛性で、ノンバックラッシが特長です。

■カップリング AFTタイプ
・エラストマーカップリングである、「ATRAFLEXカップリングAFTシリーズ」を採用しています。
・特長は高減衰、衝撃吸収、取り付けが容易、コンパクトにできます。


■最高回転速度3.600min-1という環境下で使用でき、モータ直結用取付に最適です。

■最大設定トルクは5050N・mと、回転速度と高トルクを両立した商品です。


■完全リリース
・過負荷によるトリップ後、駆動側の回転が被動側に伝わらない機能です。自動で復帰しないため、駆動側トリップ後のオーバーランによる再復帰衝突を防げます。

■高精度トリップ
・繰り返し作動トルク精度±5%

■手動復帰
・過負荷の原因を取り除いた後、溝の位置を付属の特殊工具を使用し合わせることで短時間で復帰できます。

■復帰方式
・ワンポジション復帰:1カ所で復帰
・ランダム復帰:複数カ所で復帰

#過負荷保護機器

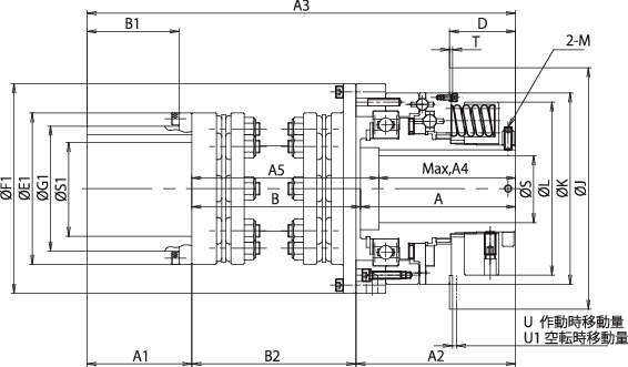
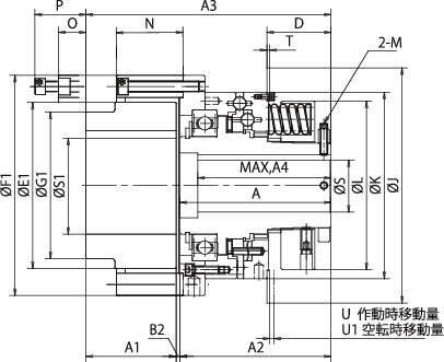
詳細仕様

  • 80件中 1-10件

  • 表示件数

80件の型式

型式 カップリング サイズ バネ種類 復帰方法 トルク
範囲
(N・m)
最高
回転速度
(min-1)
S穴径 S1穴径 A
(mm)
A1
(mm)
A2
(mm)
A3
(mm)
A4
(mm)
A5
(mm)
B
(mm)
B1
(mm)
B2
(mm)
D
(mm)
E1
(mm)
F1
(mm)
G1
(mm)
J
(mm)
K
(mm)
L
(mm)
M N
(mm)
O
(mm)
P
(mm)
T
(mm)
U
(mm)
U1
(mm)
カップリング
型番
慣性
モーメント
(kg・m2)
質量
(kg)
最小 (mm) 最大 (mm) 最小 (mm) 最大 (mm)
TGH28-LCN エクトフレックス NER 28 弱バネ ランダム復帰 32~80 3600 12 28 25 65(61) 110 70 112 282 80 132 102 58 100 48.8 108 140 84 145 111 88 M6 - - - 3.2 2.8 2.4 NER59W 0.0211 9.9
TGH28-LCNS エクトフレックス NER 28 弱バネ ワンポジション復帰 32~80 3600 12 28 25 65(61) 110 70 112 282 80 132 102 58 100 48.8 108 140 84 145 111 88 M6 - - - 3.2 2.8 2.4 NER59W 0.0211 9.9
TGH28-MCN エクトフレックス NER 28 中バネ ランダム復帰 64~160 3600 12 28 25 65(61) 110 70 112 282 80 132 102 58 100 48.8 108 140 84 145 111 88 M6 - - - 3.2 2.8 2.4 NER59W 0.0211 9.9
TGH28-MCNS エクトフレックス NER 28 中バネ ワンポジション復帰 64~160 3600 12 28 25 65(61) 110 70 112 282 80 132 102 58 100 48.8 108 140 84 145 111 88 M6 - - - 3.2 2.8 2.4 NER59W 0.0211 9.9
TGH28-HCN エクトフレックス NER 28 強バネ ランダム復帰 96~240 3600 12 28 25 65(61) 110 70 112 282 80 132 102 58 100 48.8 108 140 84 145 111 88 M6 - - - 3.2 2.8 2.4 NER59W 0.0211 9.9
TGH28-HCNS エクトフレックス NER 28 強バネ ワンポジション復帰 96~240 3600 12 28 25 65(61) 110 70 112 282 80 132 102 58 100 48.8 108 140 84 145 111 88 M6 - - - 3.2 2.8 2.4 NER59W 0.0211 9.9
TGH28-UCN エクトフレックス NER 28 超強バネ ランダム復帰 128~320 3600 12 28 25 65(61) 110 70 112 282 80 132 102 58 100 48.8 108 140 84 145 111 88 M6 - - - 3.2 2.8 2.4 NER59W 0.0211 9.9
TGH28-UCNS エクトフレックス NER 28 超強バネ ワンポジション復帰 128~320 3600 12 28 25 65(61) 110 70 112 282 80 132 102 58 100 48.8 108 140 84 145 111 88 M6 - - - 3.2 2.8 2.4 NER59W 0.0211 9.9
TGH40-LCN エクトフレックス NER 40 弱バネ ランダム復帰 60~150 1800 17 40 25 85(80) 120 85 123 335 100 150 130 73 127 47.9 129 160 105 190 140 120 M6 - - - 3.2 3.4 2.9 NER93W 0.0512 17
TGH40-LCNS エクトフレックス NER 40 弱バネ ワンポジション復帰 60~150 1800 17 40 25 85(80) 120 85 123 335 100 150 130 73 127 47.9 129 160 105 190 140 120 M6 - - - 3.2 3.4 2.9 NER93W 0.0512 17

型式 商品コード 単位 価格
(円)
基準納期
日伝 メーカー
TGH28-LCN TGH28-LCN P 345,500 - -
TGH28-LCNS TGH28-LCNS P 345,500 - -
TGH28-MCN TGH28-MCN P 345,500 - -
TGH28-MCNS TGH28-MCNS P 345,500 - -
TGH28-HCN TGH28-HCN P 345,500 - -
TGH28-HCNS TGH28-HCNS P 345,500 - -
TGH28-UCN TGH28-UCN P 345,500 - -
TGH28-UCNS TGH28-UCNS P 345,500 - -
TGH40-LCN TGH40-LCN P 469,100 - -
TGH40-LCNS TGH40-LCNS P 469,100 - -

この製品を見た人はこのような製品も見ています

1952年設立で、動力伝導機器・産業機器・制御機器等の機械設備及び機械器具関連製品の販売をしている専門総合商社です。
日本国内で40以上の拠点を持ち、信頼性の高い製品と技術力で、全国のものづくりに携わる方々のあらゆるお困りごとを解決しています。

Loading...