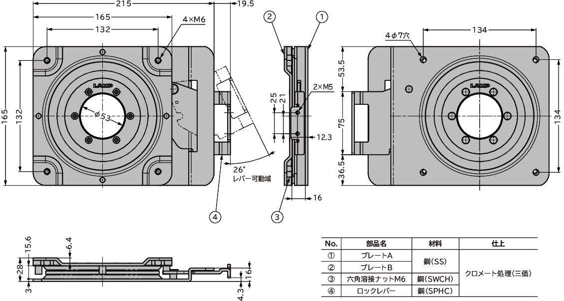
HTS-165SP
-
HTS-165SP
・偏荷重に耐えられる、産業用の回転盤です。
・360°回転し、90°ごとにロックします(レバー操作でロック解除)
・中央の穴から配線を通せます。
・レバー先端にM5タップ加工があるため、グリップレバーやワイヤーを取り付けて操作できます。
<用途>
・産業機械、コンベアなどの方向転換、検査機、タッチパネルモニターなど
<注意>
・取付ねじと固定ナットの接触がないことを確認してください。
・高速及び連続回転の使用は想定しておりません。
・本品は水平な状態で保管・ご使用ください。
共通仕様
| 使用温度 | 0℃~40℃ |
|---|---|
| ロック強度 | 150N・m |
| 回転試験の合否判定基準 | 回転時に異音、動作不良等がないこと(トルクを除く) |

