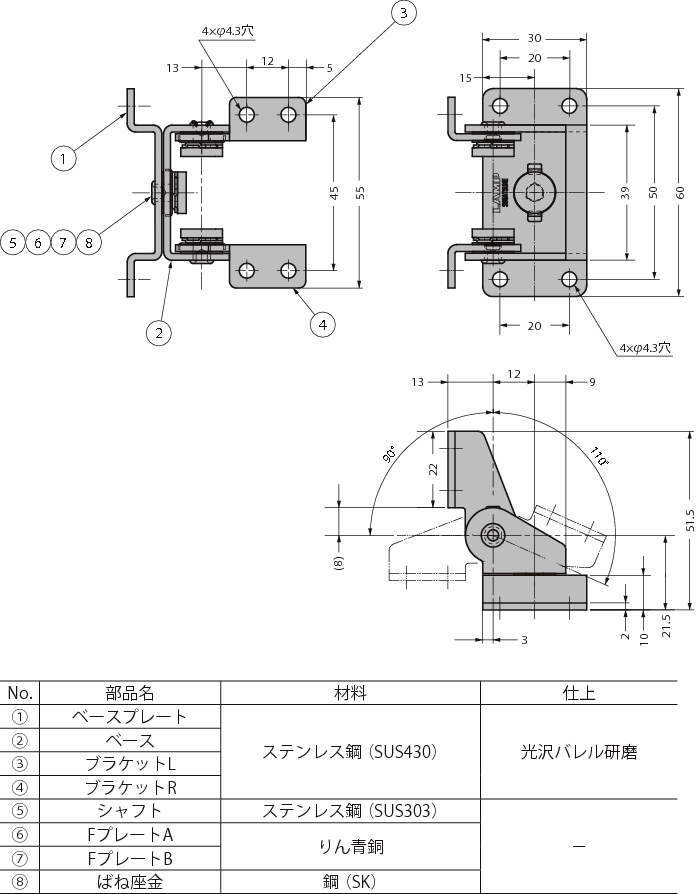
・二軸のフリーストップ機構により、傾き方向と回転方向(スイベル方向)共に任意の角度を保持できます。
・回転方向(スイベル方向)は360°回転します。
・ベースは面付仕様で、筐体への取り付けが簡単です。
・作動範囲内の往復のトルクは一定です。
・2万回の開閉試験(当社基準)をクリアしています。
・使用温度:0℃~40℃
スガツネ工業
トルクヒンジ|2軸トルクヒンジ HG-T30S15
詳細仕様
1件の型式
| 型式 | トルク(傾き方向) | トルク(回転方向) | ||
|---|---|---|---|---|
| (N・m) | (kgf・cm) | (N・m) | (kgf・cm) | |
| HG-T30S15 | 3.0 | 30.6 | 1.5 | 15.3 |
| 型式 | 商品コード | 単位 |
価格 (円) |
基準納期 | |
|---|---|---|---|---|---|
| 日伝 | メーカー | ||||
| HG-T30S15 | HG-T30S15 | P | 3,150 | 在庫品 | 4日間 |
この製品を見た人はこのような製品も見ています
製品についてのご質問やお困りごとなどお気軽にご相談ください!
Loading...

