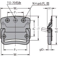
・取手部をつかみやすいように、取付面から浮かせています。
・TO-70の取り付け穴は上側に1つ、下側に2つあります。
共通仕様
| 材料・仕上 | TO-SS:ステンレス鋼(SUS304)、電解研磨 TO:鋼(本体:SPCC・取手:SS)、クロメート処理(三価) |
|---|
スガツネ工業
・取手部をつかみやすいように、取付面から浮かせています。
・TO-70の取り付け穴は上側に1つ、下側に2つあります。
| 材料・仕上 | TO-SS:ステンレス鋼(SUS304)、電解研磨 TO:鋼(本体:SPCC・取手:SS)、クロメート処理(三価) |
|---|
4件の型式
| 型式 | 仕様 | 材料 | 仕上 | L1 | L2 | W1 | W2 | H | P1 | P2 | P3 | D1 | d2 | N |
質量 (g) |
|---|---|---|---|---|---|---|---|---|---|---|---|---|---|---|---|
| TO-70 | ばねなし | 鋼(本体:SPCC・取手:SS) | クロメート処理(三価) | 54 | 69 | 60 | 68 | 9 | - | 49 | 34 | 6 | 4.7 | 3 | 60 |
| TO-80 | ばねなし | 鋼(本体:SPCC・取手:SS) | クロメート処理(三価) | 73 | 80 | 75 | 83 | 11 | 45 | 63 | 43 | 7 | 5 | 4 | 104 |
| TO-90 | ばねなし | 鋼(本体:SPCC・取手:SS) | クロメート処理(三価) | 75 | 91 | 82 | 90 | 12 | 48 | 69 | 47 | 8 | 5.5 | 4 | 135 |
| TO-100 | ばねなし | 鋼(本体:SPCC・取手:SS) | クロメート処理(三価) | 85 | 105 | 95 | 102 | 14 | 51 | 76 | 54 | 9 | 6 | 4 | 210 |
| 型式 | 商品コード | 単位 |
価格 (円) |
基準納期 | |
|---|---|---|---|---|---|
| 日伝 | メーカー | ||||
| TO-70 | TO-70 | P | 320 | - | 4日間 |
| TO-80 | TO-80 | P | 410 | - | 4日間 |
| TO-90 | TO-90 | P | 750 | - | 4日間 |
| TO-100 | TO-100 | P | 800 | - | 4日間 |
製品についてのご質問やお困りごとなどお気軽にご相談ください!