・90°ごとに4箇所で仮保持できます。
・樹脂製のため軽量です。
・樹脂部品と金属部品を分別できます。
・ねじを隠すキャップ付きです。キャップ(アイボリー:KD-772-3I、ブラック:KD-772-3B)のみもご用意できます。
・初期設定解放トルクはばらつきがあります。保証値ではありません。
・ストップ位置(保持)以外で長時間扉を止めないでください。
・ご使用に際しては、事前に現品をご確認ください。
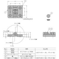
共通仕様
| 材料・仕上(本体A) | ポリアセタール(POM)・シボ |
|---|---|
| 材料・仕上(本体B) | ポリアセタール(POM)・シボ |
| 材料・仕上(ストッパープレート) | ポリアミド(PA)・シボ |
| 材料(軸) | ステンレス鋼(SUS303) |
| 材料・仕上(化粧キャップ(附属品)) | ポリプロピレン(PP)・シボ |
| 使用扉サイズの目安 | 樹脂板扉縦2ヶ使いの場合 幅400以下 高さ500以下 質量1.2kg以下 |

