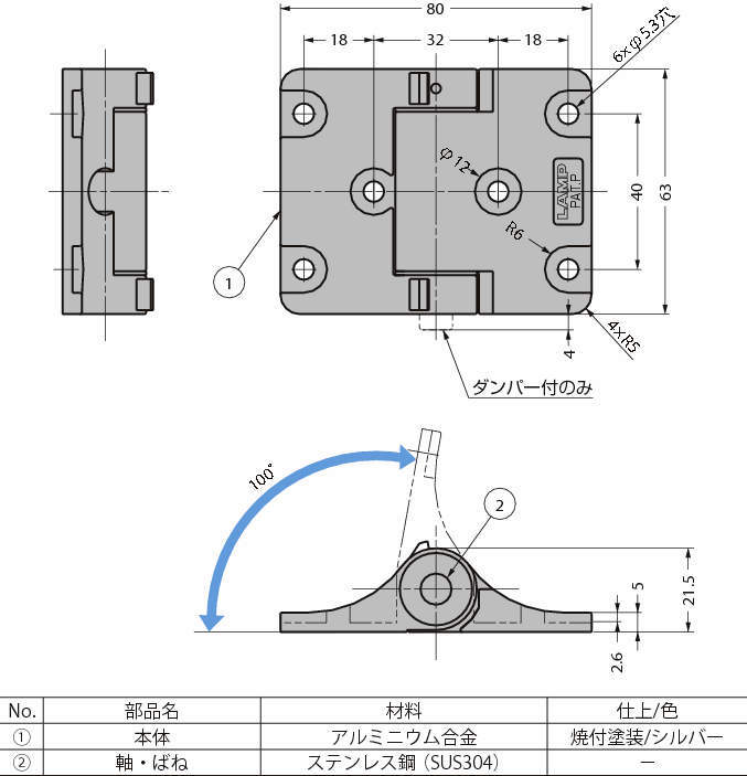
クリックストップ付
・開き角度が0°と100°の2ヶ所でキャッチ機構が働くダンパーヒンジです。
・クリック感とともに扉などを簡易的に保持します。
・ダンパーなしのクリックストップだけのタイプもあります。
・ダンパーの効く方向は時計まわり、反時計まわりの2方向あります。
共通仕様
| 材料・仕上・色(本体) | アルミニウム合金・焼付塗装・シルバー |
|---|---|
| 材料(軸・ばね) | ステンレス鋼(SUS304) |
| クリックの初期解放トルク | 0.98N・m/1ヶ(10kgf・cm/1ヶ) |
| 開き角度 | 100° |

