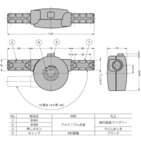
ロック機構付
・操作が簡単な押しボタンで角度調節とロックができるヒンジです。角度調節が必要なパイプのジョイント部に最適です。
・押しボタンを押すとロックが解除され、10°毎に180°まで角度調節が可能です。
・角度調節後に押しボタンから手を離すと、しっかりロックされます。
共通仕様
| 材料・仕上・色(本体) | アルミニウム合金・焼付塗装・アイボリー |
|---|---|
| 材料・仕上(押しボタン) | アルミニウム合金・クロムめっき |
| 材料・色(キャップ) | ABS樹脂・ブラック |
| 適用パイプ | φ19.1×t1.2 |
| 耐荷重 | 25N・m(2.5kgf・m) |
| 質量 | 170g |

