モノづくりの困ったを解決する総合サイト

Produced by

スガツネ工業

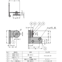
ガラス蝶番|ガラス蝶番 GH36-NCR型(抜差しタイプ)

インセット扉用

・ガラス扉および樹脂扉用の丁番です。

#ヒンジ

共通仕様

材料・仕上、色(本体) 鋼(SPCC)、クロムめっき
材料・仕上、色(化粧プレート) 黄銅、クロムめっき
材料・仕上、色(ワッシャ) 塩化ビニル樹脂(PVC)・クリアー
材料・仕上、色(プレート取付ねじ) 鋼(SWCH)・ニッケルめっき

この製品を見た人はこのような製品も見ています

1952年設立で、動力伝導機器・産業機器・制御機器等の機械設備及び機械器具関連製品の販売をしている専門総合商社です。
日本国内で40以上の拠点を持ち、信頼性の高い製品と技術力で、全国のものづくりに携わる方々のあらゆるお困りごとを解決しています。

Loading...