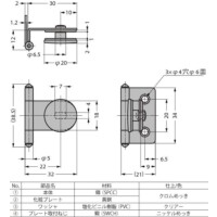
共通仕様
| 材料・仕上、色(本体) | 鋼(SPCC)・クロムめっき |
|---|---|
| 材料・仕上、色(化粧プレート) | 黄銅・クロムめっき |
| 材料・仕上、色(ワッシャ) | 塩化ビニル樹脂(PVC)・クリアー |
| 材料・仕上、色(プレート取付ねじ) | 鋼(SWCH)・ニッケルめっき |
スガツネ工業
| 材料・仕上、色(本体) | 鋼(SPCC)・クロムめっき |
|---|---|
| 材料・仕上、色(化粧プレート) | 黄銅・クロムめっき |
| 材料・仕上、色(ワッシャ) | 塩化ビニル樹脂(PVC)・クリアー |
| 材料・仕上、色(プレート取付ねじ) | 鋼(SWCH)・ニッケルめっき |
1件の型式
| 型式 | 扉幅 | 扉高さ | ガラス厚 |
扉質量 (kg以下/2ヶ) |
質量 (g) |
|---|---|---|---|---|---|
| GH34-0CR | 450以下 | 700以下 | 4、5、6 | 4 | 23.5 |
| 型式 | 商品コード | 単位 |
価格 (円) |
基準納期 | |
|---|---|---|---|---|---|
| 日伝 | メーカー | ||||
| GH34-0CR | GH34-0CR | P | 650 | - | 4日間 |
製品についてのご質問やお困りごとなどお気軽にご相談ください!