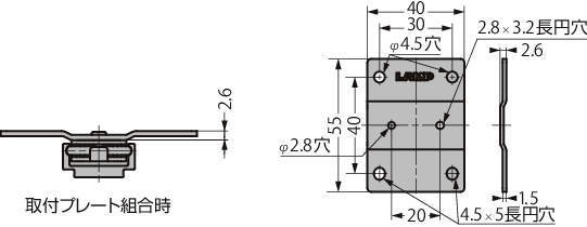
・φ4.5穴、4.5×5長円穴が予めあいています。
【注意】
・本品は、ショートタイプ、8軸タイプのキャリッジには取り付けできません。
共通仕様
| 推奨ねじ | M4小ねじ |
|---|---|
| 付属品 | 0番1種なべ小ねじ M2.6×4 ゆるみ止め付 (キャリッジの取付ねじ) |
| 材料 | ステンレス鋼(SUS304) |
スガツネ工業
・φ4.5穴、4.5×5長円穴が予めあいています。
【注意】
・本品は、ショートタイプ、8軸タイプのキャリッジには取り付けできません。
| 推奨ねじ | M4小ねじ |
|---|---|
| 付属品 | 0番1種なべ小ねじ M2.6×4 ゆるみ止め付 (キャリッジの取付ねじ) |
| 材料 | ステンレス鋼(SUS304) |
1件の型式
| 型式 | 製品名 |
質量 g |
推奨ねじ |
|---|---|---|---|
| MLG20-P55-40 | 取付プレート | 26 | M4小ねじ |
| 型式 | 商品コード | 単位 |
価格 (円) |
基準納期 | |
|---|---|---|---|---|---|
| 日伝 | メーカー | ||||
| MLG20-P55-40 | MLG20-P55-40 | P | 480 | - | 4日間 |
製品についてのご質問やお困りごとなどお気軽にご相談ください!