モノづくりの困ったを解決する総合サイト

Produced by

ワンタッチ管継手 New KQ2シリーズ|六角穴付ユニバーサルエルボ(シール剤) KQ2VS-A/N

KQ2VS-A (R/ミリ)

  • KQ2VS-A (R/ミリ)

  • KQ2VS-A (NPT/インチ)

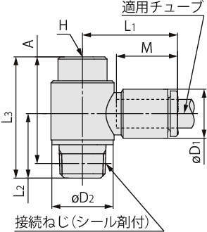
■六角穴付ユニバーサルエルボ
・ボディ頭部六角穴を六角レンチで締付ける狭いスペース用のエルボユニオン。

■シール方式:シール剤(シール剤なし)

■再配管が可能
・繰り返し使用するとシール剤が剥離するため、シールテープが必要です。

■選べるリリースブッシュ形状
・長円形・真円形。


【New KQ2シリーズの特長】
■KQ・KQ2・KJを“KQ2”へ一本化。

■長円形リリースブッシュ追加!

■チューブ着脱性向上
・挿入力:30%低減
・離脱力:20%低減
・チューブ引抜強度は、現行品と同等レベルを確保

■小型・軽量化
・スペース比:高さ方向 24% DOWN
・スペース比:水平方向 23% DOWN
・質量比:57% DOWN
※エルボユニオン、適用チューブ外径:φ6、接続ねじ:R1/8の場合

■バリエーション充実

#チューブ継手
#ワンタッチ管継手
#KQ2
#六角穴付ユニバーサルエルボ

共通仕様

使用流体 空気、水
使用圧力範囲 -100KPa~1MPa
保証圧力 3MPa(23℃時)
周囲温度および使用流体温度 空気:-5~60℃
水:0~40℃(凍結なきこと)

詳細仕様

  • 193件中 1-10件

  • 表示件数

193件の型式

型式 機種 タイプ 適用チューブ リリース
ブッシュ
形状
管接続部 ねじ部材質 六角対辺
H
(mm)
φD1
(mm)
φD2
(mm)
L1
(mm)
L2
(mm)
L3
(mm)
A
(mm)
M
(mm)
リリースブッシュ寸法(mm) 有効断面積(mm2) 最小
穴径
(mm)
質量
(g)
オーダーメイド仕様
タイプ 外径 シール方式 ねじタイプ 管接続口径 X Y ナイロン ウレタン
KQ2VS04-01AS 六角穴付ユニバーサルエルボ(シール剤付) KQ2VS-A ミリ φ4mm 真円形 シール剤付 R R1/8 黄銅 6 8.2 13.4 19.3 13.7 25.8 22.7 13.3 - - 2.9 2.9 3 13.2 -
KQ2VS04-01AS-X12 六角穴付ユニバーサルエルボ(シール剤付) KQ2VS-A ミリ φ4mm 真円形 シール剤付 R R1/8 黄銅 6 8.2 13.4 19.3 13.7 25.8 22.7 13.3 - - 2.9 2.9 3 13.2 潤滑剤:白色ワセリン
KQ2VS04-01AS-X35 六角穴付ユニバーサルエルボ(シール剤付) KQ2VS-A ミリ φ4mm 真円形 シール剤付 R R1/8 黄銅 6 8.2 13.4 19.3 13.7 25.8 22.7 13.3 - - 2.9 2.9 3 13.2 ボディ色:黒
KQ2VS04-01AS1 六角穴付ユニバーサルエルボ(シール剤付) KQ2VS-A ミリ φ4mm 長円形 シール剤付 R R1/8 黄銅 6 8.2 13.4 19.3 13.7 25.8 22.7 13.3 7.7 10 2.9 2.9 3 13.2 -
KQ2VS04-01AS1-X12 六角穴付ユニバーサルエルボ(シール剤付) KQ2VS-A ミリ φ4mm 長円形 シール剤付 R R1/8 黄銅 6 8.2 13.4 19.3 13.7 25.8 22.7 13.3 7.7 10 2.9 2.9 3 13.2 潤滑剤:白色ワセリン
KQ2VS04-01AS1-X35 六角穴付ユニバーサルエルボ(シール剤付) KQ2VS-A ミリ φ4mm 長円形 シール剤付 R R1/8 黄銅 6 8.2 13.4 19.3 13.7 25.8 22.7 13.3 7.7 10 2.9 2.9 3 13.2 ボディ色:黒
KQ2VS04-01NS 六角穴付ユニバーサルエルボ(シール剤付) KQ2VS-N ミリ φ4mm 真円形 シール剤付 R R1/8 黄銅+無電解ニッケルめっき 6 8.2 13.4 19.3 13.7 25.8 22.7 13.3 - - 2.9 2.9 3 13.2 -
KQ2VS04-01NS-X35 六角穴付ユニバーサルエルボ(シール剤付) KQ2VS-N ミリ φ4mm 真円形 シール剤付 R R1/8 黄銅+無電解ニッケルめっき 6 8.2 13.4 19.3 13.7 25.8 22.7 13.3 - - 2.9 2.9 3 13.2 ボディ色:黒
KQ2VS04-01NS1 六角穴付ユニバーサルエルボ(シール剤付) KQ2VS-N ミリ φ4mm 長円形 シール剤付 R R1/8 黄銅+無電解ニッケルめっき 6 8.2 13.4 19.3 13.7 25.8 22.7 13.3 7.7 10 2.9 2.9 3 13.2 -
KQ2VS04-01NS1-X35 六角穴付ユニバーサルエルボ(シール剤付) KQ2VS-N ミリ φ4mm 長円形 シール剤付 R R1/8 黄銅+無電解ニッケルめっき 6 8.2 13.4 19.3 13.7 25.8 22.7 13.3 7.7 10 2.9 2.9 3 13.2 ボディ色:黒

型式 商品コード 単位 価格
(円)
基準納期
日伝 メーカー
KQ2VS04-01AS KQ2VS04-01AS P 725 - -
KQ2VS04-01AS-X12 KQ2VS04-01AS-X12 P 725 - -
KQ2VS04-01AS-X35 KQ2VS04-01AS-X35 P 725 - -
KQ2VS04-01AS1 KQ2VS04-01AS1 P 725 - -
KQ2VS04-01AS1-X12 KQ2VS04-01AS1-X12 P 725 - -
KQ2VS04-01AS1-X35 KQ2VS04-01AS1-X35 P 725 - -
KQ2VS04-01NS KQ2VS04-01NS P 750 - -
KQ2VS04-01NS-X35 KQ2VS04-01NS-X35 P 750 - -
KQ2VS04-01NS1 KQ2VS04-01NS1 P 750 - -
KQ2VS04-01NS1-X35 KQ2VS04-01NS1-X35 P 750 - -

この製品を見た人はこのような製品も見ています

1952年設立で、動力伝導機器・産業機器・制御機器等の機械設備及び機械器具関連製品の販売をしている専門総合商社です。
日本国内で40以上の拠点を持ち、信頼性の高い製品と技術力で、全国のものづくりに携わる方々のあらゆるお困りごとを解決しています。

Loading...