KQB2L
-
KQB2L
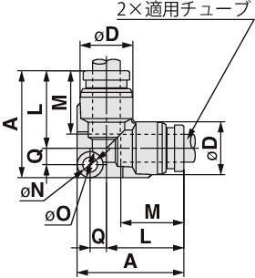
■エルボ
・直角方向のチューブ同士の接続に使用。
【金属ワンタッチ継手 KQB2シリーズの特長】
■小型・軽量化
・寸法比:22.1mm → 15.9mm 約30%DOWN
・質量比:27g → 10.2g 約62%DOWM
※KQB2L06-01Sの場合
■使用流体温度:-5~150℃
■ノングリース
■適用チューブ材質
・FEP・PFA・ナイロン・ソフトナイロン・ポリウレタン・ポリオレフィン
■無電解ニッケルめっき仕様(黄銅部品)
共通仕様
| 使用流体 | 空気、水 |
|---|---|
| 使用圧力範囲 | -100kPa~1MPa |
| 保証耐圧力 | 3.0MPa |
| 周囲温度および使用流体温度 | -5~150℃(凍結なきこと) |

