KQB2L-F
-
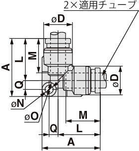
KQB2L-F
■エルボ
・直角方向のチューブ同士の接続に使用。
【FDA適合 金属ワンタッチ管継手 KQB2-Fシリーズの特長】
■FDA(米国食品医薬品局)適合管継手
■ゴム部品
・材質は、FDA(米国食品医薬品局)§177.2600に適合しているFKM。
■グリース
・NSF H1に適合したパラフィン油系のグリースを使用。
■使用流体温度:-5~150℃
共通仕様
| 使用流体 | 空気、水 |
|---|---|
| 使用圧力範囲 | -100kPa~1MPa |
| 保証耐圧力 | 3.0MPa |
| 周囲温度および使用流体温度 | -5~150℃(凍結なきこと) |
| 使用油脂類 | NSF H1グリース |

