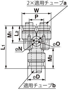
KQG2U
-
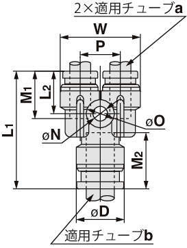
KQG2U
■異径ユニオンワイ
・同一方向にサイズダウンして分岐するチューブ同士の接続に使用。
【SUS316製ワンタッチ継手 KQG2シリーズの特長】
■小型・軽量化
・寸法比:22.1mm → 15.9mm 約30%DOWN
・質量比:26g → 10.1g 約62%DOWM
※KQG2L06-01Sの場合
■材質
・金属部:SUS316
・シール部:特殊FKM
■使用流体温度:-5~150℃
■ノングリース
■蒸気使用可
■食品衛生法適合
・部品材質は器具および容器包装規格試験に適合。
■適用チューブ材質
・FEP・PFA・ナイロン・ソフトナイロン・ポリウレタン・ポリオレフィン
共通仕様
| 使用流体 | 空気、水、蒸気 |
|---|---|
| 使用圧力範囲 | -100kPa~1MPa |
| 保証耐圧力 | 3.0MPa |
| 周囲温度および使用流体温度 | -5~150℃(凍結なきこと) |
| 使用油脂類 | ノングリース仕様 |

