KQG2L
-
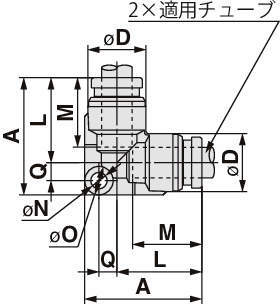
KQG2L
■エルボ
・直角方向のチューブ同士の接続に使用。
【FDA適合 SUS316ワンタッチ管継手 KQG2-Fシリーズの特長】
■FDA(米国食品医薬品局)適合管継手
■食品衛生法適合(ISO 16030に準拠)
・部品材料は器具および容器包装規格試験に適合(2020年6月改正の食品衛生法第18条第3項及び告示370号に基づく制度も含む)
■ゴム部品
・材質は、FDA(米国食品医薬品局)§177.2600に適合しているFKM。
■グリース
・NSF H1に適合したパラフィン油系のグリースを使用。
■蒸気使用可
■使用流体温度:-5~150℃
共通仕様
| 使用流体 | 空気、水、蒸気 |
|---|---|
| 使用圧力範囲 | -100kPa~1MPa |
| 保証耐圧力 | 3.0MPa |
| 周囲温度および使用流体温度 | -5~150℃(凍結なきこと) |
| 使用油脂類 | ノングリース仕様 |

