KGU
-
KGU
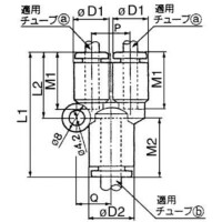
■異径ユニオンワイ
・同一方向にサイズダウンして分岐するチューブ同士の接続に使用。
【KGシリーズの特長】
■耐食環境で使用可能なステンレス仕様。
■金属部材質にSUS303を採用
■銅系イオンを嫌うCRTライン、水や塩水がかかる食品装置の水洗浄、銅系材の変色や錆による発塵を嫌うクリーンルーム内での使用が可能です。
■大きな保持色
・ナイロンにもウレタンにも使用可能
・チャックにより確実な喰いつきを行い、コレットにより保持力を増大。
■低真空から1MPaまで使用可能
・特殊形状パッキンにより、確実なシールおよび、チューブ挿入時の抵抗が小さい。
■軽い取外し力
・リリースブッシュで、取外し時にチャックコレットの開放を行います。
・また、チャックがチューブへ必要以上に喰い込むのを防止します。
■狭いスペースでの配管に効果的
・打込みハーフで、ボディとねじ部が回転可能。
共通仕様
| 使用流体 | 空気、水 |
|---|---|
| 使用圧力範囲 | -100KPa~1MPa |
| 保証圧力 | 3MPa |
| 周囲温度および使用流体温度 | 空気:-5~60℃ 水:0~40℃(凍結なきこと) |

