KAU
-
KAU
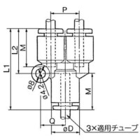
■ユニオンワイ
・同一方向のチューブ同士の分岐接続に使用。
【帯電防止ワンタッチ管継手 KAシリーズの特長】
■帯電防止対策が施された管継手です。
■表面抵抗:104~107Ω
■継手ボディ・シール部に導電性樹脂を使用。
■真空(-100KPa)使用可能。
■難燃性(UL94規格V-0相当)
■銅系不可仕様
・黄銅部品に無電解ニッケルメッキ付。
共通仕様
| 使用流体 | 空気 |
|---|---|
| 使用圧力範囲 | -100KPa~1MPa |
| 保証圧力 | 3MPa |
| 周囲温度および使用流体温度 | 5~40℃ |
| 表面抵抗 | 104~107Ω |

