モノづくりの困ったを解決する総合サイト

Produced by

配管モジュール KBシリーズ|エルボモジュール KBV

KBV

  • KBV

  • KBV

【配管モジュール KBシリーズの特長】
■メイン配管から集中分配が可能
・用途に合わせた配管の集中、分岐が可能。

■工具いらずのワンタッチ着脱
・操作性に優れたワンタッチロック方式の採用で工具は不要、配管作業性も向上します。

■エアの取り出し方向は360°自由自在
・ユニバーサル構造により、配管接続後でも、エアの取出方向を自由に変更することができます。

#チューブ接手
#配管モジュール
#ワンタッチ管継手
#エルボモジュール

共通仕様

使用流体 空気
使用圧力範囲 -100KPa~1MPa
保証圧力 3MPa
周囲温度および使用流体温度 -5~60℃

詳細仕様

  • 9件中 1-9件

  • 表示件数

9件の型式

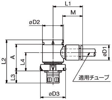
型式 機種 タイプ ボディ
サイズ
適用
チューブ外径
D1
(mm)
D2
(mm)
D3
(mm)
L1
(mm)
L2
(mm)
L3
(mm)
L4
(mm)
A
(mm)
M
(mm)
質量
(g)
KBV1-04 エルボモジュール KBV 1 φ4mm 10.4 13.6 16.8 22.0 33.0 10.4 13.0 19.5 16.0 4.3
KBV1-06 エルボモジュール KBV 1 φ6mm 12.8 13.6 16.8 24.0 33.0 10.4 13.0 19.5 17.0 4.9
KBV2-06 エルボモジュール KBV 2 φ6mm 12.8 17.6 21.0 25.0 36.0 10.1 15.5 22.5 17.0 7.3
KBV2-08 エルボモジュール KBV 2 φ8mm 15.2 17.6 21.0 28.5 36.0 10.1 15.5 22.5 18.5 8.3
KBV3-08 エルボモジュール KBV 3 φ8mm 15.2 25.2 28.6 29.5 42.6 11.4 20.5 27.0 18.5 15.0
KBV3-10 エルボモジュール KBV 3 φ10mm 18.5 25.2 28.6 31.5 42.6 11.4 19.5 27.0 21.0 17.5
KBV3-12 エルボモジュール KBV 3 φ12mm 20.9 25.2 28.6 34.0 42.6 11.4 19.5 27.0 22.0 19.3
KBV4-12 エルボモジュール KBV 4 φ12mm 20.9 27.0 30.4 35.0 41.4 12.2 18.0 25.0 22.0 20.2
KBV4-16 エルボモジュール KBV 4 φ16mm 26.5 32.3 30.4 39.0 55.0 12.2 24.0 38.5 25.0 36.4

型式 商品コード 単位 価格
(円)
基準納期
日伝 メーカー
KBV1-04 KBV1-04 P 825 在庫品 -
KBV1-06 KBV1-06 P 800 - -
KBV2-06 KBV2-06 P 900 在庫品 -
KBV2-08 KBV2-08 P 825 在庫品 -
KBV3-08 KBV3-08 P 1,000 - -
KBV3-10 KBV3-10 P 1,100 在庫品 -
KBV3-12 KBV3-12 P 1,075 - -
KBV4-12 KBV4-12 P 1,175 - -
KBV4-16 KBV4-16 P 1,300 - -

この製品を見た人はこのような製品も見ています

1952年設立で、動力伝導機器・産業機器・制御機器等の機械設備及び機械器具関連製品の販売をしている専門総合商社です。
日本国内で40以上の拠点を持ち、信頼性の高い製品と技術力で、全国のものづくりに携わる方々のあらゆるお困りごとを解決しています。

Loading...