KPU
-
KPU
-
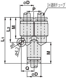
KPシリーズ
■ユニオンワイ
・同一方向のチューブ同士の分岐接続に使用。
【クリーンワンタッチ継手 KPシリーズの特長】
■クリーンルーム内のブローシステムに適したワンタッチ管継手
・KPシリーズはクリーンブローおよび洗浄ライン専用のワンタッチ管継手です。
■完全禁油処理
・ゴム類にフッ素コーティング
■接液部は非金属
■クリーンルーム内で部品洗浄、組立、2重梱包
■真空使用可能(-100kPa)
共通仕様
| 清浄度クラス(ISOクラス) | クラス3 |
|---|---|
| 使用流体 | 空気、N2、水、脱イオン水(純水) |
| 最高使用圧力(20℃) | 1MPa |
| 使用真空圧力 | -100kPa(10Torr) |
| 保証耐圧力(20℃) | 3MPa |
| 周囲温度および使用流体温度 | -20℃~80℃ |

