KPQU
-
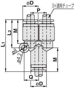
KPQU
-
KPQシリーズ
■ユニオンワイ
・同一方向のチューブ同士の分岐接続に使用。
【クリーンワンタッチ管継手 KQPシリーズの特長】
■クリーンルーム内の駆動系エアシステムに適したワンタッチ管継手
■清浄度クラス:クラス3
■樹脂部品は、PP(ポリプロピレン樹脂)
■金属部品は、黄銅(無電解ニッケルめっき)
共通仕様
| 清浄度クラス(ISOクラス) | クラス3 |
|---|---|
| 使用流体 | 空気 |
| 最高使用圧力(20℃) | 1MPa |
| 使用真空圧力 | -100kPa |
| 保証耐圧力(20℃) | 3MPa |
| 周囲温度および使用流体温度 | -5℃~60℃ |
| 使用油脂類 | フッ素系グリース |
| 金属部材質 | 黄銅(無電解ニッケルめっき) |

