モノづくりの困ったを解決する総合サイト

Produced by

チューブカプラ(セルフシール機能内蔵ワンタッチ管継手)|ユニオンワイ KCU

KCU

  • KCU

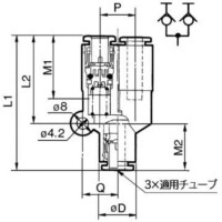
■ユニオンワイ
・同一方向のチューブ同士の分岐接続に使用。
・分岐ポート側のみチェック付。


【チューブカプラ KCシリーズの特長】
■配管作業の合理化・省エネ
・チューブ取外し時にエアをストップするワンタッチ管継手(セルフシール機能内蔵)

■セルフシール機能内蔵
・チューブを外してもエアは漏れません。

■豊富なバリエーション(10種類)

■銅系不可
・黄銅部品に無電解ニッケルめっき付

■シール剤付が標準仕様

■打ち込みハーフ
・狭いスペースでの配管に効果的。
・ボディとねじ部が回転可能。(位置決め程度)

#チューブ接手
#チューブカプラ
#ワンタッチ管継手
#ユニオンワイ

共通仕様

使用流体 空気
最高使用圧力 1MPa
保証圧力 3MPa
周囲温度および使用流体温度 -5~60℃(凍結なきこと)

CADメーカーTOP

詳細仕様

  • 5件中 1-5件

  • 表示件数

5件の型式

型式 機種 タイプ 適用チューブ D
(mm)
L1
(mm)
L2
(mm)
P(mm) Q
(mm)
M1
(mm)
M2
(mm)
有効断面積(mm2) 質量
(g)
タイプ 外径 ナイロン ウレタン
KCU04-00 ユニオンワイ KCU ミリ φ4mm 10.4 43.1 27.3 10.4 10.6 18 16 3.7 3.7 8
KCU06-00 ユニオンワイ KCU ミリ φ6mm 12.8 48 31.2 12.8 12.5 19 17 10 10 14
KCU08-00 ユニオンワイ KCU ミリ φ8mm 15.2 57.6 38.9 15.2 14.7 21.5 18.5 21.7 15.1 22
KCU10-00 ユニオンワイ KCU ミリ φ10mm 18.5 65.2 44.9 18.5 17.1 24 21 33.3 25.6 37
KCU12-00 ユニオンワイ KCU ミリ φ12mm 20.9 70.1 48.8 20.9 19.1 25.5 22 48.9 38.7 49

型式 商品コード 単位 価格
(円)
基準納期
日伝 メーカー
KCU04-00 KCU04-00 P 1,925 - -
KCU06-00 KCU06-00 P 1,925 在庫品 -
KCU08-00 KCU08-00 P 2,000 - -
KCU10-00 KCU10-00 P 2,475 - -
KCU12-00 KCU12-00 P 2,475 - -

この製品を見た人はこのような製品も見ています

1952年設立で、動力伝導機器・産業機器・制御機器等の機械設備及び機械器具関連製品の販売をしている専門総合商社です。
日本国内で40以上の拠点を持ち、信頼性の高い製品と技術力で、全国のものづくりに携わる方々のあらゆるお困りごとを解決しています。

Loading...