M-3ALU-3
-
M-3ALU-3
-
M-3ALU-4
-
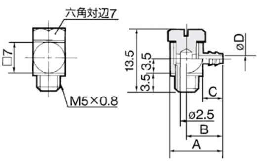
M-5ALU-□・M-5ALN-□
-
M-5ALHU-□・M-5ALHN-□
■バーブエルボ
・スタッドを軸心として360度自由に位置決めし固定可能。
【ミニチュア管継手 Mシリーズの特長】
■コンパクトな配管スペース
・チューブの保持力が大きく、着脱が容易なホースニップル
■幅広く機種をラインアップ
・同方向への立体的な配管が可能。
■ホースニップル・ホースエルボ
・ナイロンチューブ、ソフトナイロンチューブ、ポリウレタンチューブの共用可能。
■バーブ継手
・チューブ挿入しやすい形状。
・チューブ保持が確実。
■ボディ
・無電解ニッケルめっき付
■ガスケット
・軽い締付けトルク。
・確実なシール。
共通仕様
| 使用流体 | 空気、水 |
|---|---|
| 周囲温度および使用流体温度 | ・空気:-5~60℃ ・水:0~40℃(凍結なきこと) |

