MS-5UL
-
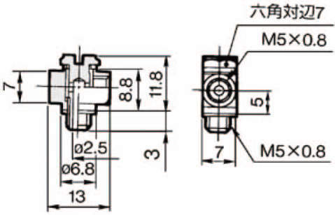
MS-5UL
■ユニバーサルエルボ
・スタッドを軸心として、360°自由に位置決めし、固定可能。
【SUS316ミニチュア管継手 Mシリーズの特長】
■耐食環境使用可能
■ボディ:SUS316材質
■コンパクトな配管スペース
・チューブの保持力が大きく、着脱が容易なホースニップル。
■幅広く機種をラインアップ
・同方向への立体的な配管が可能。
■ホースニップル・ホースエルボ
・ナイロンチューブ、ソフトナイロンチューブ、ポリウレタンチューブの共用可能。
■バーブ
・チューブ挿入しやすい形状。
・チューブ保持が確実。
■ガスケット
・軽い締付けトルク
・確実なシール
共通仕様
| 使用流体 | 空気、水 |
|---|---|
| 周囲温度および使用流体温度 | ・空気:-5~60℃ ・水:0~40℃(凍結なきこと) |

