ガスケット(M・UNF)
-
ガスケット(M・UNF)
-
シール剤(R・NPT)
-
パッキン(G)
-
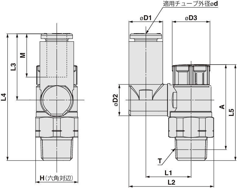
AS-FG-A(ユニバーサル)
-
AS-FG-A(ユニバーサル)
-
AS-FG-A(ユニバーサル)
様々な作業工程の削減に貢献
■ステンレスタイプ
■簡単プッシュロック式
・工具レスで簡単ワンプッシュロック。
・スパナを使用する従来の方法に比べ作業効率が飛躍的にアップしました。
・ニードルロックの操作性向上。
■ハンドルの大型化
・ハンドルが大きく微調整がやりやすい。
■チューブ取付け方向が360°自由自在
・ユニバーサルタイプは配管方向を360°自由自在に設定できます。
■チューブの着脱性向上
・挿入力 30%(8N)低減。
・離脱力 20%(5N)低減。
・チューブ保持力は、現行品と同レベルを確保。
■流量の再現性が向上
・面当てストッパ(回転ストッパ)の採用により全閉時の(流量0)のハンドル位置が常に一定。
・ハンドル回転数による流量のバラツキがほとんどありません。
■パッキンシール方式をラインナップ
・施工性の向上。手締後の工具増締め量低減。
・シール剤カス・ハミ出し防止。従来シール剤タイプでは施工時にシール剤カスが出たり、ねじ部よりはみ出すことがあり、エアブローなどで取り除くひつようがありましたが、パッキンシールではカスが発生しません。
・再配管が可能。座面での弾性体シールのため繰り返し6~10回程度の再配管が可能です。
・高さ寸法の一定化。

