TMH
-
TMH
-
TMH
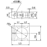
■ワンタッチ管継手付スピードコントローラ(インラインタイプ)の固定用ホルダー
・単品の固定が可能
SMC
TMH
TMH
TMH
■ワンタッチ管継手付スピードコントローラ(インラインタイプ)の固定用ホルダー
・単品の固定が可能
13件の型式
| 型式 | サイズ |
適用 スピード コントローラ |
φD1 (mm) |
φD2 (mm) |
H1 (mm) |
H2 (mm) |
H3 (mm) |
H4 (mm) |
H5 (mm) |
L1 (mm) |
L2 (mm) |
L3 (mm) |
|---|---|---|---|---|---|---|---|---|---|---|---|---|
| TMH-23J | M3×15 | AS1002F□(φ3.2mm) | 8.5 | 3.3 | 4.5 | 4.6 | 7.5 | 6 | 12 | 7.2 | 6.6 | 18 |
| TMH-01J | M3×15 | AS1002F□(φ1/8") | 8.5 | 3.3 | 4.5 | 4.6 | 7.5 | 6 | 12 | 7.2 | 6.6 | 18 |
| TMH-03J | M3×15 | AS1002F□(φ5/32)・AS2002F□(φ5/32") | 9.4 | 3.3 | 4.5 | 4.6 | 7.5 | 6 | 12 | 7.2 | 6.6 | 18 |
| TMH-04J | M3×15 | AS1002F□(φ4mm)・AS2002F□(φ4mm) | 9.4 | 3.3 | 4.5 | 4.6 | 7.5 | 6 | 12 | 7.2 | 6.6 | 18 |
| TMH-06J | M3×20 | AS1002F□(φ6mm)・AS2002F□(φ6mm) | 11.7 | 3.3 | 6.3 | 6.4 | 9.3 | 7.7 | 15.4 | 8.5 | 8.3 | 21 |
| TMH-07J | M3×20 | AS1002F□(φ1/4")・AS2002F□(φ1/4") | 12.1 | 3.3 | 6.3 | 6.4 | 9.3 | 7.7 | 15.4 | 8.5 | 8.3 | 21 |
| TMH-06 | M4×25 | AS2052F□(φ6mm) | 13.1 | 4.3 | 7.1 | 7.2 | 11.1 | 10 | 20 | 11 | 10.6 | 26.5 |
| TMH-07 | M4×25 | AS2052F□(φ1/4")・AS3002F□(φ6mm・φ1/4") | 13.5 | 4.3 | 7.1 | 7.2 | 11.1 | 10 | 20 | 11 | 10.6 | 26.5 |
| TMH-08 | M4×25 | AS2052F□(φ8mm)・AS3002F□(φ8mm) | 15.5 | 4.3 | 7.1 | 7.2 | 11.1 | 10 | 20 | 11 | 10.6 | 26.5 |
| TMH-09 | M4×25 | AS2052F□(φ5/16")・AS3002F□(φ5/16") | 15.5 | 4.3 | 7.1 | 7.2 | 11.1 | 10 | 20 | 11 | 10.6 | 26.5 |
| 型式 | 商品コード | 単位 |
価格 (円) |
基準納期 | |
|---|---|---|---|---|---|
| 日伝 | メーカー | ||||
| TMH-23J | TMH-23J | P | 150 | - | - |
| TMH-01J | TMH-01J | P | 150 | - | - |
| TMH-03J | TMH-03J | P | 150 | - | - |
| TMH-04J | TMH-04J | P | 150 | 在庫品 | - |
| TMH-06J | TMH-06J | P | 150 | 在庫品 | - |
| TMH-07J | TMH-07J | P | 150 | - | - |
| TMH-06 | TMH-06 | P | 150 | 在庫品 | - |
| TMH-07 | TMH-07 | P | 150 | - | - |
| TMH-08 | TMH-08 | P | 150 | 在庫品 | - |
| TMH-09 | TMH-09 | P | 150 | - | - |
製品についてのご質問やお困りごとなどお気軽にご相談ください!