AS-FPQ
-
AS-FPQ
-
AS-FPQ
■クリーンルーム用スピードコントローラ
・クリーンルーム内で使用可能な低発塵タイプのスピードコントローラ
■AS-FPQ:黄銅(無電解ニッケルめっき)
・樹脂部:ポリプロピレン樹脂。
SMC
AS-FPQ
AS-FPQ
AS-FPQ
■クリーンルーム用スピードコントローラ
・クリーンルーム内で使用可能な低発塵タイプのスピードコントローラ
■AS-FPQ:黄銅(無電解ニッケルめっき)
・樹脂部:ポリプロピレン樹脂。
60件の型式
| 型式 | タイプ | 形状 |
ボディ サイズ |
制御方式 | 適用チューブ | 管接続部 |
清浄度クラス (ISOクラス) |
流量(L/min(ANR)) | C値:音速コンダクタンス(dm3/(s・bar)) | b値:臨界圧力比 |
最高 使用圧力 |
最低 使用圧力 |
保証 耐圧力 |
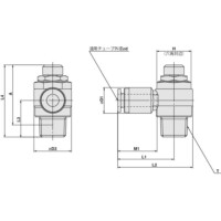
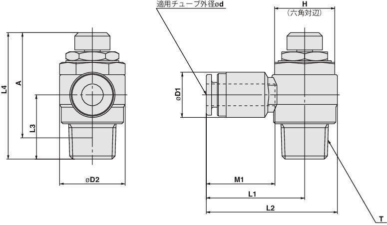
H (mm) |
D1 (mm) |
D2 (mm) |
L1 (mm) |
L2 (mm) |
L3(mm) | A(mm) |
M1 (mm) |
質量 (g) |
オプション | ||||||||
|---|---|---|---|---|---|---|---|---|---|---|---|---|---|---|---|---|---|---|---|---|---|---|---|---|---|---|---|---|---|---|---|
| タイプ | 外径 φd | シール方式 | ねじタイプ | 接続口径 T | 自由流れ | 制御流れ | 自由流れ | 制御流れ | 自由流れ | 制御流れ | MAX. | MIN. | MAX. | MIN. | |||||||||||||||||
| AS1201FPQ-M5-04 | AS-FPQ | エルボ | 1 | メータアウト | ミリ | φ4mm | ガスケット | M | M5×0.8 | クラス3 | 100 | 100 | 0.28 | 0.28 | 0.4 | 0.2 | 1MPa | 0.1MPa | 1.5MPa | 8 | 10.4 | 9.6 | 22.2 | 27 | 12.2 | 28.8 | 26 | 25.2 | 22.4 | 7 | - |
| AS1201FPQ-M5-04-J | AS-FPQ | エルボ | 1 | メータアウト | ミリ | φ4mm | ガスケット | M | M5×0.8 | クラス3 | 100 | 100 | 0.28 | 0.28 | 0.4 | 0.2 | 1MPa | 0.1MPa | 1.5MPa | 8 | 10.4 | 9.6 | 22.2 | 27 | 12.2 | 28.8 | 26 | 25.2 | 22.4 | 7 | ロックナット(丸形) |
| AS1201FPQ-M5-06 | AS-FPQ | エルボ | 1 | メータアウト | ミリ | φ6mm | ガスケット | M | M5×0.8 | クラス3 | 100 | 100 | 0.28 | 0.28 | 0.4 | 0.2 | 1MPa | 0.1MPa | 1.5MPa | 8 | 12.8 | 9.6 | 23.2 | 28 | 12.2 | 28.8 | 26 | 25.2 | 22.4 | 8 | - |
| AS1201FPQ-M5-06-J | AS-FPQ | エルボ | 1 | メータアウト | ミリ | φ6mm | ガスケット | M | M5×0.8 | クラス3 | 100 | 100 | 0.28 | 0.28 | 0.4 | 0.2 | 1MPa | 0.1MPa | 1.5MPa | 8 | 12.8 | 9.6 | 23.2 | 28 | 12.2 | 28.8 | 26 | 25.2 | 22.4 | 8 | ロックナット(丸形) |
| AS1211FPQ-M5-04 | AS-FPQ | エルボ | 1 | メータイン | ミリ | φ4mm | ガスケット | M | M5×0.8 | クラス3 | 100 | 100 | 0.28 | 0.28 | 0.4 | 0.2 | 1MPa | 0.1MPa | 1.5MPa | 8 | 10.4 | 9.6 | 22.2 | 27 | 12.2 | 28.8 | 26 | 25.2 | 22.4 | 7 | - |
| AS1211FPQ-M5-04-J | AS-FPQ | エルボ | 1 | メータイン | ミリ | φ4mm | ガスケット | M | M5×0.8 | クラス3 | 100 | 100 | 0.28 | 0.28 | 0.4 | 0.2 | 1MPa | 0.1MPa | 1.5MPa | 8 | 10.4 | 9.6 | 22.2 | 27 | 12.2 | 28.8 | 26 | 25.2 | 22.4 | 7 | ロックナット(丸形) |
| AS1211FPQ-M5-06 | AS-FPQ | エルボ | 1 | メータイン | ミリ | φ6mm | ガスケット | M | M5×0.8 | クラス3 | 100 | 100 | 0.28 | 0.28 | 0.4 | 0.2 | 1MPa | 0.1MPa | 1.5MPa | 8 | 12.8 | 9.6 | 23.2 | 28 | 12.2 | 28.8 | 26 | 25.2 | 22.4 | 8 | - |
| AS1211FPQ-M5-06-J | AS-FPQ | エルボ | 1 | メータイン | ミリ | φ6mm | ガスケット | M | M5×0.8 | クラス3 | 100 | 100 | 0.28 | 0.28 | 0.4 | 0.2 | 1MPa | 0.1MPa | 1.5MPa | 8 | 12.8 | 9.6 | 23.2 | 28 | 12.2 | 28.8 | 26 | 25.2 | 22.4 | 8 | ロックナット(丸形) |
| AS2201FPQ-01-04 | AS-FPQ | エルボ | 2 | メータアウト | ミリ | φ4mm | シール剤なし | R | R1/8 | クラス3 | 180 | 180 | 0.5 | 0.5 | 0.2 | 0.25 | 1MPa | 0.1MPa | 1.5MPa | 12 | 10.4 | 14.2 | 24.3 | 31.4 | 13.4 | 35.5 | 30.5 | 32.4 | 27.4 | 17 | - |
| AS2201FPQ-01-04-J | AS-FPQ | エルボ | 2 | メータアウト | ミリ | φ4mm | シール剤なし | R | R1/8 | クラス3 | 180 | 180 | 0.5 | 0.5 | 0.2 | 0.25 | 1MPa | 0.1MPa | 1.5MPa | 12 | 10.4 | 14.2 | 24.3 | 31.4 | 13.4 | 35.5 | 30.5 | 32.4 | 27.4 | 17 | ロックナット(丸形) |
| 型式 | 商品コード | 単位 |
価格 (円) |
基準納期 | |
|---|---|---|---|---|---|
| 日伝 | メーカー | ||||
| AS1201FPQ-M5-04 | AS1201FPQ-M5-04 | P | 5,275 | - | - |
| AS1201FPQ-M5-04-J | AS1201FPQ-M5-04-J | P | 5,275 | - | - |
| AS1201FPQ-M5-06 | AS1201FPQ-M5-06 | P | 5,275 | - | - |
| AS1201FPQ-M5-06-J | AS1201FPQ-M5-06-J | P | 5,275 | - | - |
| AS1211FPQ-M5-04 | AS1211FPQ-M5-04 | P | 5,275 | - | - |
| AS1211FPQ-M5-04-J | AS1211FPQ-M5-04-J | P | 5,275 | - | - |
| AS1211FPQ-M5-06 | AS1211FPQ-M5-06 | P | 5,275 | - | - |
| AS1211FPQ-M5-06-J | AS1211FPQ-M5-06-J | P | 5,275 | - | - |
| AS2201FPQ-01-04 | AS2201FPQ-01-04 | P | 5,425 | - | - |
| AS2201FPQ-01-04-J | AS2201FPQ-01-04-J | P | 5,425 | - | - |
製品についてのご質問やお困りごとなどお気軽にご相談ください!