ASR-F(ユニバーサル)
-
ASR-F(ユニバーサル)
-
ASR-F(設定圧力:可変)
-
ASR-F-F20(設定圧力:固定)
-
ASR-F・ASQ-Fシリンダ取付
-
ASR-F・ASQ-Fシリンダ取付
■プレッシャバルブ
・チェック弁付減圧弁+スピードコントローラ。
・チェック弁付減圧弁と流量制御弁を一体化させた構造。
【エアセービングバルブの特長】
■空気消費量40%削減
■仕事をしない復帰ストローク側を減圧作動させることで空気消費量を削減します。
■飛出し防止が可能
・作動ストロークの飛出しを防止し、全ストロークで速度調整を可能にしました。
■レスポンスタイム向上
・急速給排気弁により復帰ストロークの作動遅れ時間を低減。
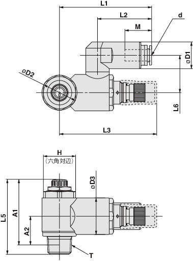
■配管が容易
・ボディおよびワンタッチ管継手部は360°回転可能。
・おねじ部分シール付標準。
■圧力設定は、固定と可変の2タイプ
・設定圧力固定タイプ(0.2MPa固定)
・設定圧力可変タイプ(0.1~0.3MPa可変)
・設定圧力可変タイプにはハンドルキャップが取付けられています。
共通仕様
| 使用流体 | 空気 |
|---|---|
| 周囲温度および使用流体温度 | -5~60℃(凍結なきこと) |
| 適用チューブ材質 | ナイロン、ソフトナイロン、ポリウレタン |

