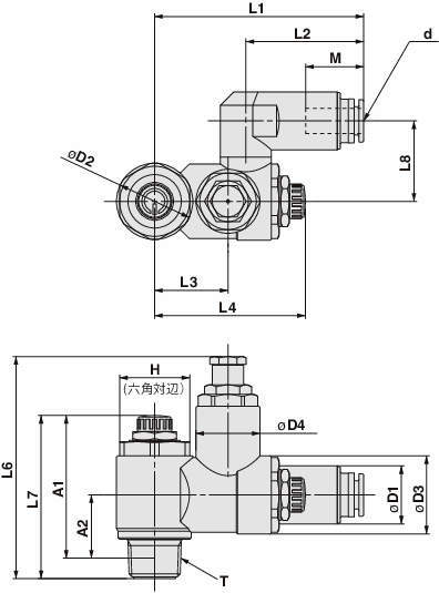
ASQ-F(ユニバーサル)
-
ASQ-F(ユニバーサル)
-
ASQ-F(圧力設定:可変)
-
ASQ-F(圧力設定:固定)
-
ASR-F・ASQ-Fシリンダ取付
-
ASR-F・ASQ-Fシリンダ取付
■フローバルブ
・急速給排気弁+スピードコントローラ(メータイン・メータアウト)。
・パイロット式切換弁と2方向流量制御弁を一体化させた構造。
【エアセービングバルブの特長】
■空気消費量40%削減
■仕事をしない復帰ストローク側を減圧作動させることで空気消費量を削減します。
■飛出し防止が可能
・作動ストロークの飛出しを防止し、全ストロークで速度調整を可能にしました。
■レスポンスタイム向上
・急速給排気弁により復帰ストロークの作動遅れ時間を低減。
■配管が容易
・ボディおよびワンタッチ管継手部は360°回転可能。
・おねじ部分シール付標準。
■圧力設定は、固定と可変の2タイプ
・設定圧力固定タイプ(0.2MPa固定)
・設定圧力可変タイプ(0.1~0.3MPa可変)
・設定圧力可変タイプにはハンドルキャップが取付けられています。
共通仕様
| 使用流体 | 空気 |
|---|---|
| 保証耐圧力 | 1.05MPa |
| 最高使用圧力 | 0.7MPa |
| 最低使用圧力 | 0.3MPa |
| 設定圧力(供給圧0.5MPa時) | <減圧機能付AS-R> 減圧機能設定圧力:0.2MPa <急速給排気機能付AS-Q> 急速供給開始圧力:0.2MPa |
| 周囲温度および使用流体温度 | -5~60℃(凍結なきこと) |
| 適用チューブ材質 | ナイロン、ソフトナイロン、ポリウレタン、FEP、PFA |

