AQ3000
-
AQ3000
-
AQ1500
-
AQシリーズ
■すぐれた排気特性
■大きなバルブ容量
■小形・軽量
■豊富な機種
SMC
AQ3000
AQ3000
AQ1500
AQシリーズ
■すぐれた排気特性
■大きなバルブ容量
■小形・軽量
■豊富な機種
58件の型式
| 型式 | タイプ | サイズ | 構造 | 管接続部 | 音速コンダクタンス(dm3/(s・bar)) | 臨界圧力比 |
最高 使用圧力 |
最低 使用圧力 |
保証 耐圧力 |
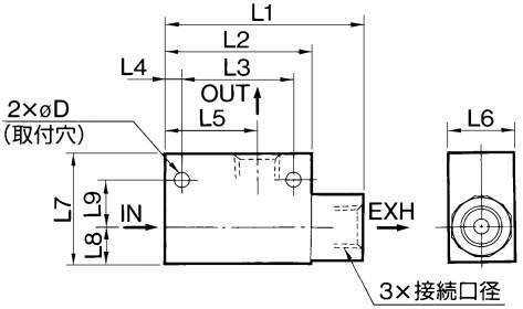
L1 (mm) |
L2 (mm) |
L3 (mm) |
L4 (mm) |
L5 (mm) |
L6 (mm) |
L7 (mm) |
L8 (mm) |
L9 (mm) |
D (mm) |
質量 (g) |
オプション | |||
|---|---|---|---|---|---|---|---|---|---|---|---|---|---|---|---|---|---|---|---|---|---|---|---|---|
| ねじタイプ | 接続口径 | IN→OUT | OUT→EXH | IN→OUT | OUT→EXH | |||||||||||||||||||
| AQ1500-M5 | AQ1500 | 1 | リップ式 | M | M5×0.8 | 0.4 | 0.56 | 0.35 | 0.3 | 0.7MPa | 0.1MPa | 1.5MPa | 23 | 20 | 14 | 3 | 12.5 | 12 | 15 | 5.5 | 6.5 | 3.1 | 25 | 標準(-5~60℃) |
| AQ1510-01 | AQ1510 | 1 | リップ式 | R | R1/8 | 0.8 | 1.16 | 0.35 | 0.3 | 0.7MPa | 0.1MPa | 1.5MPa | 45 | 33 | 25 | 4 | 21 | 15 | 25 | 8 | 11 | 4.3 | 45 | 標準(-5~60℃) |
| AQ1510-F01 | AQ1510 | 1 | リップ式 | G | G1/8 | 0.8 | 1.16 | 0.35 | 0.3 | 0.7MPa | 0.1MPa | 1.5MPa | 45 | 33 | 25 | 4 | 21 | 15 | 25 | 8 | 11 | 4.3 | 45 | 標準(-5~60℃) |
| AQ1510-N01 | AQ1510 | 1 | リップ式 | NPT | NPT1/8 | 0.8 | 1.16 | 0.35 | 0.3 | 0.7MPa | 0.1MPa | 1.5MPa | 45 | 33 | 25 | 4 | 21 | 15 | 25 | 8 | 11 | 4.3 | 45 | 標準(-5~60℃) |
| AQ2000-01 | AQ2000 | 2 | ダイヤフラム式 | R | R1/8 | 5 | 5 | 0.45 | 0.35 | 1MPa | 0.05MPa | 1.5MPa | 45 | 40 | 10 | 45 | - | - | - | - | - | - | 110 | 標準(-5~60℃) |
| AQ2000-01-H | AQ2000 | 2 | ダイヤフラム式 | R | R1/8 | 5 | 5 | 0.45 | 0.35 | 1MPa | 0.05MPa | 1.5MPa | 45 | 40 | 10 | 45 | - | - | - | - | - | - | 110 | 高温仕様(-5~80℃) |
| AQ2000-01-L | AQ2000 | 2 | ダイヤフラム式 | R | R1/8 | 5 | 5 | 0.45 | 0.35 | 1MPa | 0.05MPa | 1.5MPa | 45 | 40 | 10 | 45 | - | - | - | - | - | - | 110 | 低温仕様(-30~60℃) |
| AQ2000-02 | AQ2000 | 2 | ダイヤフラム式 | R | R1/4 | 7 | 8 | 0.45 | 0.35 | 1MPa | 0.05MPa | 1.5MPa | 45 | 40 | 10 | 45 | - | - | - | - | - | - | 105 | 標準(-5~60℃) |
| AQ2000-02-H | AQ2000 | 2 | ダイヤフラム式 | R | R1/4 | 7 | 8 | 0.45 | 0.35 | 1MPa | 0.05MPa | 1.5MPa | 45 | 40 | 10 | 45 | - | - | - | - | - | - | 105 | 高温仕様(-5~80℃) |
| AQ2000-02-L | AQ2000 | 2 | ダイヤフラム式 | R | R1/4 | 7 | 8 | 0.45 | 0.35 | 1MPa | 0.05MPa | 1.5MPa | 45 | 40 | 10 | 45 | - | - | - | - | - | - | 105 | 低温仕様(-30~60℃) |
| 型式 | 商品コード | 単位 |
価格 (円) |
基準納期 | |
|---|---|---|---|---|---|
| 日伝 | メーカー | ||||
| AQ1500-M5 | AQ1500-M5 | P | 3,575 | - | - |
| AQ1510-01 | AQ1510-01 | P | 3,850 | 在庫品 | - |
| AQ1510-F01 | AQ1510-F01 | P | 3,850 | - | - |
| AQ1510-N01 | AQ1510-N01 | P | 3,850 | - | - |
| AQ2000-01 | AQ2000-01 | P | 4,125 | 在庫品 | - |
| AQ2000-01-H | AQ2000-01-H | P | 8,250 | - | - |
| AQ2000-01-L | AQ2000-01-L | P | 4,675 | - | - |
| AQ2000-02 | AQ2000-02 | P | 4,125 | 在庫品 | - |
| AQ2000-02-H | AQ2000-02-H | P | 8,250 | - | - |
| AQ2000-02-L | AQ2000-02-L | P | 4,675 | - | - |
製品についてのご質問やお困りごとなどお気軽にご相談ください!