AQ-F(サイレンサ付)
-
AQ-F(サイレンサ付)
■省スペース
・IN-OUTの接続配管が直線方向。
■ワンタッチ管継手内蔵。
■サイレンサ内蔵。
■軽量(樹脂ボディ)
SMC
AQ-F(サイレンサ付)
AQ-F(サイレンサ付)
■省スペース
・IN-OUTの接続配管が直線方向。
■ワンタッチ管継手内蔵。
■サイレンサ内蔵。
■軽量(樹脂ボディ)
5件の型式
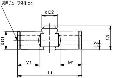
| 型式 | タイプ | 形状 | サイズ | 適用チューブ |
D1 (mm) |
D2 (mm) |
L1 (mm) |
L2 (mm) |
L3 (mm) |
M1 (mm) |
質量 (g) |
|
|---|---|---|---|---|---|---|---|---|---|---|---|---|
| タイプ | 外径φd | |||||||||||
| AQ240F-04-00 | AQ240F | イランライン(サイレンサ付) | 2 | ミリ | φ4mm | 9.3 | 10.0 | 39.2 | 5.2 | 14.3 | 12.9 | 5 |
| AQ240F-06-00 | AQ240F | イランライン(サイレンサ付) | 2 | ミリ | φ6mm | 11.6 | 10.0 | 40.7 | 6.2 | 15.4 | 13.7 | 6 |
| AQ240F-07-00 | AQ240F | イランライン(サイレンサ付) | 2 | インチ | φ1/4" | 12 | 10.0 | 40.7 | 6.2 | 15.4 | 13.7 | 6 |
| AQ340F-06-00 | AQ340F | イランライン(サイレンサ付) | 3 | ミリ | φ6mm | 11.6 | 11.8 | 44.8 | 6.3 | 19.5 | 13.7 | 11 |
| AQ340F-07-00 | AQ340F | イランライン(サイレンサ付) | 3 | インチ | φ1/4" | 13.2 | 11.8 | 52.2 | 7.1 | 20.3 | 16.8 | 11 |
| 型式 | 商品コード | 単位 |
価格 (円) |
基準納期 | |
|---|---|---|---|---|---|
| 日伝 | メーカー | ||||
| AQ240F-04-00 | AQ240F-04-00 | P | 2,200 | 在庫品 | - |
| AQ240F-06-00 | AQ240F-06-00 | P | 2,200 | 在庫品 | - |
| AQ240F-07-00 | AQ240F-07-00 | P | 2,200 | - | - |
| AQ340F-06-00 | AQ340F-06-00 | P | 2,350 | 在庫品 | - |
| AQ340F-07-00 | AQ340F-07-00 | P | 2,350 | - | - |
製品についてのご質問やお困りごとなどお気軽にご相談ください!