LCD-B
-
LCD-B
-
LCD-T7
-
LCS-B
-
LCS-T7
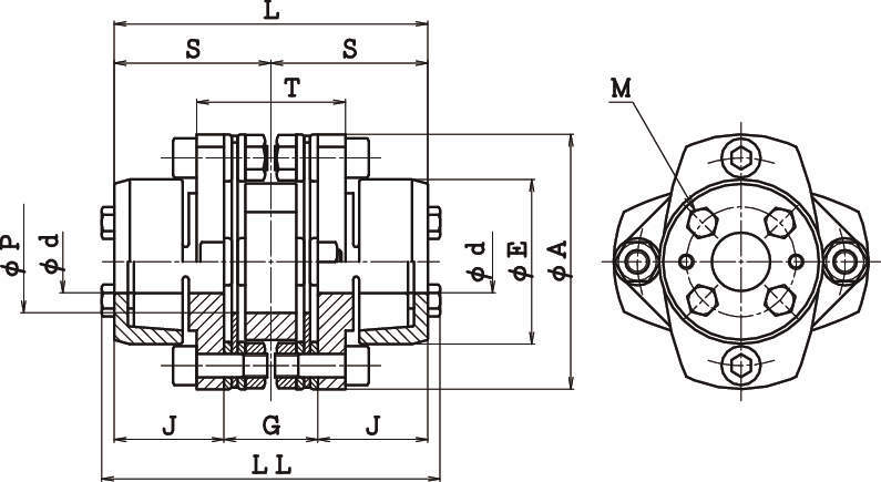
・たわみ部と軸締結部の総合性能で高剛性・高トルクの回転伝達を実現。
・高剛性・高トルク伝達に適した炭素鋼(S45C)ハブを採用。
・独自の流線型形状により慣性モーメントを低減。
・中型・大型モータに適しています。
・TCD-B・TCS-Bは、軸締結部にダブルボルトクランプ方式を採用。
・TCD-T7・TCS-T7は、軸締結部にテーパスリーブと加圧キャップによるくさび締結方式を採用。
共通仕様
| タイプ | LCD:ダブル LCS:シングル |
|---|---|
| 締結方法 | LCD-B・LCS-B:ボルトクランプ LCD-T7・LCS-T7:テーパークランプ |
| ハブ材質 | S45C |

