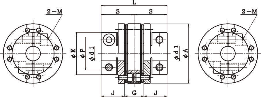
TAD-C タイプSS
-
TAD-C タイプSS
-
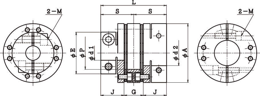
TAD-C タイプLS
-
TAD-C タイプLL
-
TAS-C タイプSS
-
TAS-C タイプLS
-
TAS-C タイプLL
・TADタイプは超々ジュラルミンの軽量・高剛性ボディと独自板ばねによるトルク伝達の向上により、性能アップとコストダウンを両立します。
・TASタイプはシングル板ばね式による高剛性化と軽量ボディにより精度・制御応答性の向上を追求しました。
共通仕様
| タイプ | TAD:ダブル TAS:シングル |
|---|---|
| 締結方法 | ボルトクランプ |
| ハブ材質 | A7075 |

